[返回列表.]    [免费下载畅易手机版APP ]

用户 52984913 **当前提问:全车电路图

全车电路图

.尊敬的用户您好,抱歉,该车的资料没有更新到平台上,需要从后台资料系统里一页一页提取,不是现成电子版资料,资料信息庞大,提取处理时间长,为了不影响对您的服务,请告知客服具体所需部分,客服好针对性的给您提取资料!客服暂时为您处理了空调电路图参考,如需要请下载附件,给您带来不便,请谅解..2015年奔驰威霆空调线路图

附件:22971278736354.rar

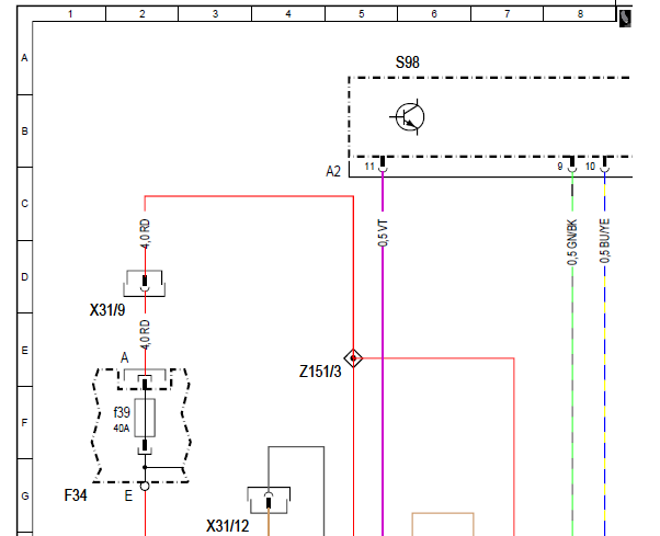
要充电系统的

蓄电池,发电机

.尊敬的用户,欢迎你使用在线客服,你的问题客服人员已为你处理完毕,请下载附件,如有疑问,欢迎和我们联系!.

附件:33381669023163.rar

你好,有没有辅助蓄电池的电路图。谢谢

.尊敬的用户,欢迎你使用在线客服,你的问题客服人员已为你处理完毕,请下载附件,如有疑问,欢迎和我们联系!.

附件:47071669022262.rar


用户 52984913 ***其他客服问题:
test:
  正时图.. 奔驰GL4002014.4-276821[WDCDF5GE4E** ]
  发动机电脑板端子图 CV61-12A650-MR 48+48+32.. 福特福克斯14年-1.6
  全车电路图.. 广汽菲亚特菲亚特致悦2014.3-343A0027[LWVBA2047E** ]
  空气悬挂电路图.. 奔驰S3502008.4-272 975[WDDNG87X18** ]
  空调电路图.. 雷诺科雷傲2011.4.4-2.5L 2TRA703[VF1VYRTY1B** ]
  发动机电路图.. 北汽福田福田2010.2.1-BJ491EQ3[LVCB1DWA7A** ]
以下是奔驰相关车型的客服问题,希望对您有帮助
 奔驰1.8T发动机油道:图..奔驰E200204 2010年 1.8T [WDDHF4JB0A**]
 保养灯归零..奔驰c200 2012
 发动机电脑报故障码:P218762 怠速时的混合气..奔驰E260L 2014 274.920 [LE4HG3GB3E**]
 GL450空气悬挂电路图..奔驰GLK 08年 27392330249899 [WDCBF71E08**]
 ABS泵电路..奔驰E33 2016 274 [LE4ZG4JB0H**]
 方向机的电路图01SS..奔驰ML 350 4MATIC 2013 M276.955 [WDCDA5HB0D**]
 ABS线路图..奔驰S600 1999 137 970 [WDB2201781**]
 87接头供电电压高..奔驰CAL200 16 270910 [WDDSJ4DB2H**]
 驻车辅助雷达模块安装位置,就是倒车雷达模..奔驰A 200 2022 282914 1.3T [LE43X8HB9N**]
 发动机正时图,安装正时。..奔驰ML 400 2015 276 821-3.0L [WDCDA5GB0F**]
 奔驰s600汽车点火锁打铁信号电路图..奔驰s600 2003 275 950 [wdbng76j6a**]
 奔驰s350空调线路图..奔驰s350 2010 272946 [WDDNG5EB2B**]

Copyright @ 2009 www.car388.com All rights reserved. 蜀ICP备12014226号-2 增值电信增值业务许可证:川B2-20190647 服务电话:028-87038205 87039205 87020205 川公网安备 51010502010015号 公司地址:成都市龙泉驿区经开区南二路309号 鼎峰动力港 企业办公总部基地 12栋
2025-01-14.-.V25VHTML-2025-