[返回列表.]    [免费下载畅易手机版APP ]

用户 13720518 **当前提问:发动机线路图给我发一份

发动机线路图给我发一份

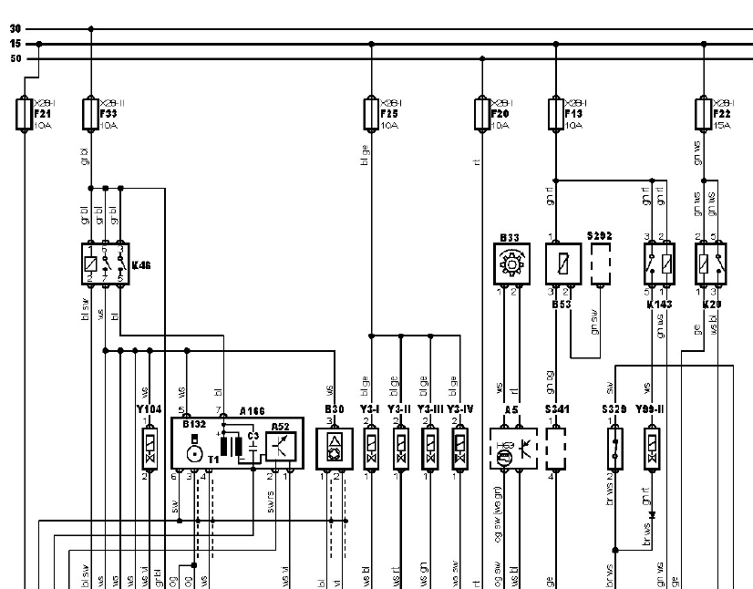
.尊敬的用户,欢迎你使用在线客服,你的问题客服人员已为你处理完毕,请下载附件,如有疑问,欢迎和我们联系!.2008年日产皮卡发动机线路

附件:6460148037308.rar


用户 13720518 ***其他客服问题:
  有没有华泰圣达菲1.8T发动机电脑针脚图和发.. 华泰圣达菲11-18K4G[LRH12R2B4A** ]
  发动机线路图 .. 东风风行03-4G64S4M[193GA43P00** ]
  给我一份方向锁线路图.. 尼桑奇骏2017-MR20[LGBM4AE4XH** ]
  后部车身控制模块后SAM电源部分线路图.. 德国奔驰2006-ML350
  全车线路图给我一份.. 长城腾翼C502013-GW4G15T[LGWEF3K54D** ]
  给我发一份发动机和空调线路图.. 北京牌BJ7151C3D32015.3-A151[LNBSCCAJ4F** ]
以下是郑州日产相关车型的客服问题,希望对您有帮助
 正时皮带记号安装..郑州日产皮卡 15 ZD22
 空调电路图..郑州日产nv200 15 1‘8
 发动机正时图..郑州日产锐骐 2018 zd30d15-5n
 发动机正时..郑州日产锐骐 2009 Z025TCR [LJNMFE2X19**]
 发动机系统和保险盒电路图..郑州日产帅客 09 TU5JP4 [LJNMDV1E69**]
 2011-2016年帅客(Succe) 维修手册 SS..郑州日产帅客 2011-2016 0 [0**]
 发动机电路图,发动机电脑版针脚图..郑州日产皮卡 2013年7月 066544 [LJNTFU2S5D**]
 16年坦途保险丝电路图..5TFAW5F16EX338162皮卡 16年 5TFAW5F16EX338162 [5TFAW5F16E**]
 19年庆铃皮卡T17发动机电路图..庆铃皮卡T17 2019 4KH1CT5H1 [LWLHCDD9KL**]
 需要14款郑州日产锐琪全车线路图..郑州日产锐琪 2014 2.4
 皮卡柴油ZD25TCR发动机正时图..东风皮卡 10年 ZD25TCR [LJNTGUBX2A**]
 郑州日产NP300发动机电路图..郑州日产NP300 10年 KA24

Copyright @ 2009 www.car388.com All rights reserved. 蜀ICP备12014226号-2 增值电信增值业务许可证:川B2-20190647 服务电话:028-87038205 87039205 87020205 川公网安备 51010502010015号 公司地址:成都市龙泉驿区经开区南二路309号 鼎峰动力港 企业办公总部基地 12栋
1.-.V25VHTML-2025-V18-11-5---2-