[返回列表.]    [免费下载畅易手机版APP ]

用户 XYBBLINC **当前提问:电子水泵电路图

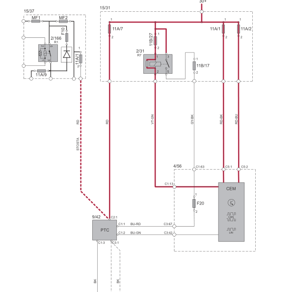
电子水泵电路图

.尊敬的用户,欢迎你使用在线客服,你的问题客服人员已为你处理完毕,请下载附件,如有疑问,欢迎和我们联系!.2015年XC60电子水泵电路图

附件:22581088016297.rar

我需要的是发动机冷却液水泵电路图,这个不是呀

.尊敬的用户,欢迎你使用在线客服,你的问题客服人员已为你处理完毕,请下载附件,如有疑问,欢迎和我们联系!.

附件:30491360445835.rar

我需要的是发动机冷却液水泵电路图,这个不是呀

.尊敬的用户,欢迎你使用在线客服,你的问题客服人员已为你处理完毕,请下载附件,如有疑问,欢迎和我们联系!.

附件:84831697866867.zip


用户 XYBBLINC ***其他客服问题:
test:
  发动机正时,发动机拆装资料.. 保时捷CAYENNES2011-M4802V[WP1AB2926B** ]
  燃油滤清器更换方法及步骤.. 东风本田本田2013.6-R18Z2[LVHFB2672D** ]
  维修手册.. 保时捷保时捷2019-DDP[WPOAA2981K** ]
  后差速器前油封拆装步骤.. 林肯领航员2018-T[5LMJJ2RT0J** ]
  大瓦螺栓和小瓦螺栓力矩,及缸盖螺栓力矩。.. 路虎神行22012-GTDI2.0升汽油机[SALFA2BG4D** ]
  正时资料,活塞安装方向.. 标致6072004-CM3[VF39DXFXF3** ]
以下是沃尔沃相关车型的客服问题,希望对您有帮助
 1、主电瓶继电器 安装位置和电路图 2节温器..沃尔沃XC60 2014.5 B4204T11 [YV1DZ40C8F**]
 帮忙下载一份沃尔沃XC60发动机电路图..沃尔沃XC60 2011 - [YV1DZ4456B**]
 沃尔沃XC90发动机散热系统维修手册3.0排量..沃尔沃XC90 06 426-26 [YU1CZ91466**]
 电动后座椅电路图..沃尔沃亚太S90 PHEV2.0T 自动 T8 智雅版 2019 B4204T35(2.0) [LVYPDBAD7K**]
 富豪XC60维修手册..沃尔沃XC60 2014 B2404T11 2.0T [YV1DZ40C8E**]
 挂挡模块电路图..沃尔沃S90 2019 B4204T23 [LVYPD10D1L**]
 沃尔沃19年s90空气流量计电路图..沃尔沃s90 19 1 [1**]
 ABSB泵电路图及端子定义..沃尔沃S60L 2014 B5204T9 [LYVFD63A8E**]
 沃尔沃XC60全车电路图..沃尔沃XC60 2013 3.0T [YV1DZ90H4D**]
 保养灯归零..沃尔沃S80L 2013 2.0T [LVSHGFDCXD**]
 20年沃尔沃S90 ABS电路图及故障码诊断..沃尔沃S90L 2020 B4204T23 [LVYPD10D2L**]
 沃尔沃发动机电路图..沃尔沃XC90 2010 2.5

Copyright @ 2009 www.car388.com All rights reserved. 蜀ICP备12014226号-2 增值电信增值业务许可证:川B2-20190647 服务电话:028-87038205 87039205 87020205 川公网安备 51010502010015号 公司地址:成都市龙泉驿区经开区南二路309号 鼎峰动力港 企业办公总部基地 12栋
2025-01-14.-.V25VHTML-2025-