[返回列表.]    [免费下载畅易手机版APP ]

用户 福丰 **当前提问:19年广汽传GS5玻璃升降器线路图

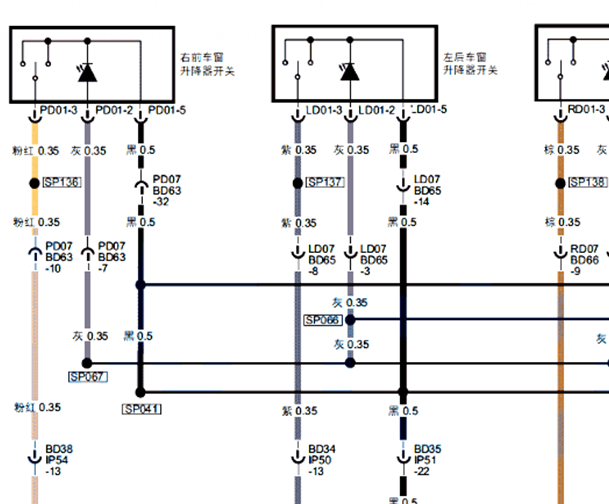
19年广汽传GS5玻璃升降器线路图

.尊敬的用户,欢迎你使用在线客服,你的问题客服人员已为你处理完毕,请下载附件,如有疑问,欢迎和我们联系!2019年广汽传祺GS5玻璃升降器线路图.

附件:63971719931580.rar

.尊敬的用户,欢迎你使用在线客服,你需要的资料在《畅易汽车维修技术支持平台》是有的,请直接登陆查询!查询方法:国内厂家 -> 广汽乘用车-传祺GS5-2018-2019[ 线路图 ] - >33.车窗升降器电路图(带左前车门一键升降功能).2018-2019年广汽传祺GS5   车窗电路图


用户 福丰 ***其他客服问题:
test:
  转速表电路图.. 江铃陆风X82007-
  雷诺风景正时怎么对.. 雷诺轿车2006-F4R1771C020150[VF1JMB50A3** ]
  北汽威望s50空调电路图.. 北汽威望S502017-4A91T[LNBMCUAK1H** ]
  东风本田思伯睿气襄电路门冬.. 东风本田思伯睿2017年9月-R20ZB[LVHCU5636H** ]
  英菲尼迪QE60中央扶手箱尾端120V电源插座电路.. 英菲尼迪QE602014年6月-CR25[5N1CL0MMXE** ]
  天窗线路图.. 雷诺科雷傲2011-2.0
以下是传祺相关车型的客服问题,希望对您有帮助
 全车线路图,和汽车电脑位置图..传祺GS5传祺GS5 19年 4A15M1 [LMWDC1G85J**]
 传祺gs7 全车图纸低配 ..传祺gs7 2018 ewq
 音响电路..传祺 M8 2021 4B20J1 [LMGMU1G82P**]
 正时安装..广汽传祺GS5 16 4B18M1 [LMGDG3G51G**]
 2018年广汽传祺GS5空调控制电路图..广汽传祺GS5 2018 4A15M1 [LMWDC1G8XJ**]
 1.5T风扇电路图..广汽乘用车GS51.5T 手自一体 270T 舒适版 2019 4A15J1(1.5) [LMWDT1G84J**]
 找一份15-16年传奇GS5 Super无钥匙进入启动系统..广汽传祺GS5Super 2015 4B20K2 [LMGDK1323F**]
 我需要GS5 Super这款车的一键启动和7速双离合..广汽传祺GS5 Super 2014.11 4B18M1 [LMGDG1C58E**]
 发动机针脚,48+64..传祺GS3A 2016 4A13M1 [LMGFA1359G**]
 15年11月广汽传祺GS4挂挡模块电路图·..传祺广汽传祺GS4 2015年11月 4A13M1 [LMGAA1C82F**]
 找一份章节370的电路图..传祺GA5传祺 2016 有点混合 [LMGGN1S53H**]
 广汽传祺修发动机所有的扭力..广汽传祺GS5 14 4B20K2 [LMGDK1G54E**]

Copyright @ 2009 www.car388.com All rights reserved. 蜀ICP备12014226号-2 增值电信增值业务许可证:川B2-20190647 服务电话:028-87038205 87039205 87020205 川公网安备 51010502010015号 公司地址:成都市龙泉驿区经开区南二路309号 鼎峰动力港 企业办公总部基地 12栋
2025-01-14.-.V25VHTML-2025-