[返回列表.]    [免费下载畅易手机版APP ]

用户 15164221 **当前提问:变速箱电路图。自动挡的,换挡电磁

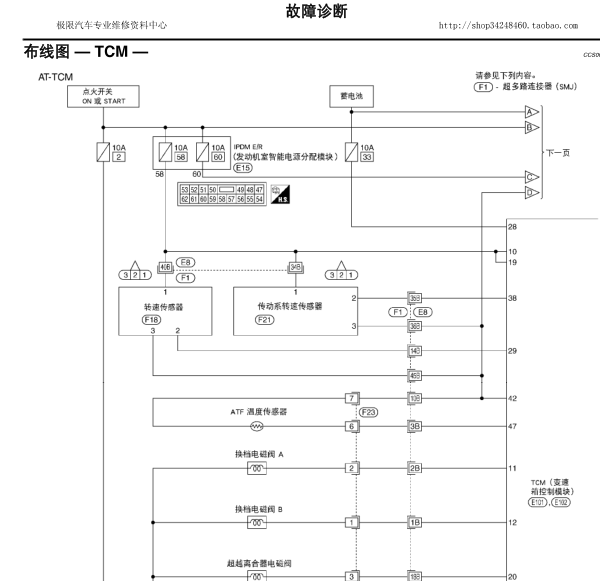
变速箱电路图。自动挡的,换挡电磁阀

.尊敬的用户,欢迎你使用在线客服,你的问题客服人员已为你处理完毕,请下载附件,如有疑问,欢迎和我们联系!.2010年轩逸自动变速箱电路图

附件:5684934594511.rar


用户 15164221 ***其他客服问题:
  发动机电脑针脚图 详细一点 谢谢.. 东风本田CRV2017-L15BL[LVHRW1812J** ]
  摄像头匹配方法和维修手册 不是360摄像头.. 奥迪A6L2020-DKW[LFV3A24KXL** ]
  故障码P1D6E09 P2B5700 P2B5900 P2B5D00 P2B5E00这.. 比亚迪腾势D92023-BYD476ZQC[LC0D74C48P** ]
  后备箱锁座工作原理.. 保时捷卡宴2005-C4[WP1ZZZ9PZ5** ]
  空调面板电路图.. 现代维拉克斯2008-g6da[kmhnu81c99** ]
  自动空调电路图.. 金杯X30I2018-DLCG14[LSYAFAAA2J** ]
以下是东风日产相关车型的客服问题,希望对您有帮助
 发动机电脑板端子图 发动机氧传感器电路图..东风日产天籁 10年 VQ25 [LGBF1DE04A**]
 通讯电路图,PDF格式的..东风日产轩逸1.6 无级 XL 豪华版 2016 HR16DE(1.6) [LGBH52E0XG**]
 发动机维修资料?s..东风日产新骊威 2013
 11年奇骏智能钥匙接收盒端子定义图..东风日产奇骏 2011年 QR25 [LGBM2DE67B**]
 低速风扇电路图 以及低速风扇继电器位置..东风日产轩逸 2010 kk [dfs**]
 09年尼桑轩逸abs报C1124故障码是什么意思..尼桑 轩逸 09年 MR20DE [LGBH1AE047**]
 尼桑骊威IPDM针脚定义..东风日产骊威 11年 1.6L
 空调电路图..东风日产骐达1.6 无级 酷动版 2016 HR16DE(1.6) [LGBG42E03H**]
 请提供一份线路图..东风日产新奇骏 2014
 变数箱线路图,CAN线扩谱图..东风日产轩逸 2020 HR16 [LGBH92E01L**]
 09年东风日产天籁空调鼓风机电路图,来一份..东风日产天籁 2009 2.0 [LGBF1DE029**]
 11年10月尼桑天籁发动机系统电路图+发动机..东风日产尼桑天籁 11年10月 MR20 [LGBF1AE03B**]

Copyright @ 2009 www.car388.com All rights reserved. 蜀ICP备12014226号-2 增值电信增值业务许可证:川B2-20190647 服务电话:028-87038205 87039205 87020205 川公网安备 51010502010015号 公司地址:成都市龙泉驿区经开区南二路309号 鼎峰动力港 企业办公总部基地 12栋
2025-05-27.-.V28**VHTML-2025-V18-11-5---2-