[返回列表.]    [免费下载畅易手机版APP ]

用户 煜程 **当前提问:北汽幻速S3L发动机电路图

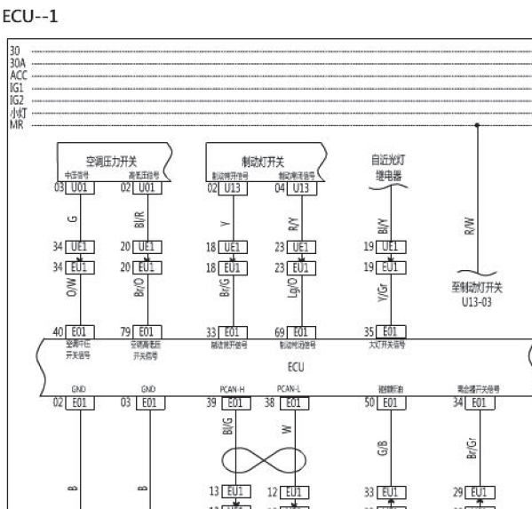
北汽幻速S3L发动机电路图

.尊敬的用户,欢迎你使用在线客服,你的问题客服人员已为你处理完毕,请下载附件,如有疑问,欢迎和我们联系!.2016年北汽幻速S3L发动机电路图

附件:24681171638448.rar


用户 煜程 ***其他客服问题:
test:
  混动高压系统电路.. 别克新君越2016-1.8[LSGZJ5WC7H** ]
  长安UNIT发动机涡轮增压机维修资料.. 长安UNIT2020-11-25-JL473ZQ5[LS5A3DKE9L** ]
  领克混动01高压部分电路.. 领克012022-DHE15-ESZ[L6T77B2Z1N** ]
  启程大V全车通讯电路图.. 启程启程大V2021年12-A415TD[LGB82MEB9M** ]
  发动机电脑94针脚定义.. 北汽锐铃锐铃皮卡2017-JE493ZLQ4CB[LHBM3HTE5H** ]
  传祺M6变速箱电路图.. GAC6480K2M6传祺M62020-4A15J1[LMGKT1L81L** ]
以下是北汽幻速S3L相关车型的客服问题,希望对您有帮助
 北汽ev160的电动门窗电路图..北汽新能源北汽EB160 16年 无
 雨刷器控制电路,和大灯远近光控制电路..北汽北汽制造陆霸北汽北汽制造陆霸3400 03 9 [ LNBBENFC**]
 电池包电路图..北汽新能源ES210北汽新能源ES210 2015 1 [LNBSCC3H5F**]
 北汽昌河北斗星E,钥匙打开RD灯一秒后熄灭报..北汽昌河北汽昌河北斗星E 2017 MD10H7Y02022 [LKCAA2A20H**]
 帮我找找14年北汽绅宝D20 发动机电脑ME17 112..北汽绅宝D20 北汽绅宝D20 14 ME177 [.**]
 f13B 正时图 02SS..北汽幻速S5北汽幻速S5 00 F13B
 发动机电脑电路图..北汽威旺北汽威旺M30 2015 DAM15DL [LNBMDLAA1F**]
 LNBRDFEHDAN605026..LNBRDFEHDAN605026北汽路霸 2012 LF(2.0) [LFPM4ACP2D**]
 15款北汽s3 BCM转向灯和防盗电路图..北汽银翔北汽s3 15年12月 R18A [LNBMDBAF4F**]
 北汽威旺306A空调电路图和保险盒图..北京牌北汽威旺306A 2015年5月 A12 [LNBMDLAA8F**]
 16年北汽威旺m20玻璃升降电路图..北京汽车北汽威旺 2016 DAM15DL [LNBMDLAA2G**]
 发动机螺丝扭矩..北京汽车北汽域胜007 2011 4G2004 [LNBMCFBF3B**]

Copyright @ 2009 www.car388.com All rights reserved. 蜀ICP备12014226号-2 增值电信增值业务许可证:川B2-20190647 服务电话:028-87038205 87039205 87020205 川公网安备 51010502010015号 公司地址:成都市龙泉驿区经开区南二路309号 鼎峰动力港 企业办公总部基地 12栋
2025-01-14.-.V25VHTML-2025-