[返回列表.]    [免费下载畅易手机版APP ]

用户 WZGL汽 **当前提问:转速传感器中文电路图

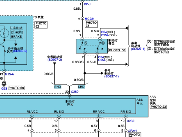
转速传感器中文电路图

.尊敬的用户,欢迎你使用在线客服,你的问题客服人员已为你处理完毕,请下载附件,如有疑问,欢迎和我们联系!2007年现代胜达ABS电路图.

附件:35171773632501.rar


用户 WZGL汽 ***其他客服问题:
test:
  2007年华晨尊驰燃油泵控制线路图.. 中华牌尊驰2007-03-4G63S4M[LSYYBBCCX7** ]
  前大灯电路图 气囊电路图 启停电路图.. 阿尔法与罗密欧GIULIA17-55273835[ZAREAECN9H** ]
  360模块位置以及线路图.. 玛莎拉蒂吉博力2021-AAA[ZAM57YTS8M** ]
  高压蓄电池电路图 模块位置图.. 保时捷卡宴混合动力2019-EA888[WP1AJ29Y6K** ]
  雪佛兰萨博班发动机线路图.. 雪佛兰萨博班23-5.3L[1GNSKEKD4P** ]
  雪佛兰迈锐宝的室外温度传感器的接线图看不.. 雪佛兰 迈锐宝XL 17年11月份-LFV[LSGZG5350H** ]
以下是现代相关车型的客服问题,希望对您有帮助
 变速箱电路图..现代IX35 13 G4NA [LBELMBKCDY**]
 请给我一份悦动的前车身尺寸,沙板用的,谢..现代悦动 2009 [LBEHDAEBX9**]
 变速器电脑电路图..现代劳恩斯酷派 09 2.0T [123**]
 全车电路图,通讯电路部分注明一下谢谢..现代雅尊雅尊 2012 v63.0 [KMHFH41HBD**]
 义表显示灯电路图..现代汽车新胜达 2007款 G6EA [KMHSH81D38**]
 变速箱控制单元电路图..现代胜达经典 2009 2.7L [KMHSH81D69**]
 2010年进口现代胜达智能盒针脚图以及一键启..现代胜达 2010 G4KE [KMHSH81BXB**]
 智能钥匙控制模块在哪..现代圣达菲 2011 G4KE [KMHSH81B1B**]
 发动机控制电路图 发动机仓保险盒翻译 ..现代新胜达 06 2.7 [KMHSH81D56**]
 伊兰特的空调线路图..现代伊兰特 11 1 [LBEXDAEB1B**]
 07年现代美佳从发动机电脑到保险盒到汽油泵..现代美佳 2007 G4ED [KMHPN81C87**]
 发动机电脑位置图和针角图..现代现代名驭 09 G4GB [LBEEFAGA8B**]

Copyright @ 2009 www.car388.com All rights reserved. 蜀ICP备12014226号-2 增值电信增值业务许可证:川B2-20190647 服务电话:028-87038205 87039205 87020205 川公网安备 51010502010015号 公司地址:成都市龙泉驿区经开区南二路309号 鼎峰动力港 企业办公总部基地 12栋
2025-01-14.-.V25VHTML-2025-