[返回列表.]    [免费下载畅易手机版APP ]

用户 15668255 **当前提问:玻璃升级系统电路图

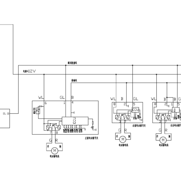
玻璃升级系统电路图

.尊敬的用户,欢迎你使用在线客服,你的问题客服人员已为你处理完毕,请下载附件,如有疑问,欢迎和我们联系!.

附件:46941783803749.rar


用户 15668255 ***其他客服问题:
  诊断接口针脚定义和电路图.. 全球鹰 K17 2016- SCRMP18U2(电动机) [LJUB4W2WXG** ]
  雨刮控制器装在哪里.. 东风景逸2012-4A92[LGG8D2D10C** ]
  副驾驶门模块的线路图,PDF格式的.. 哈弗 H92016- GW4C20 [LGWFF6A6XG** ]
以下是铃木相关车型的客服问题,希望对您有帮助
 北斗星发动机拆装、正时盖拆装..昌河铃木北斗星 0912 k14b-a [LVFAD1AD59**]
 查到的咋是手动挡,实际车辆是自动档..铃木汽车Jimny [吉姆尼]1.3 手动 2005 M13A(1.3) [JS3JB43V26**]
 轮胎拧紧力矩..铃木 L - 铃木 >> 天语尚悦-长安铃木 >> 1.6L >> 2013 >>2012款 1.6L 2013 1.6L [LS5A2CBE5D**]
 11年铃木天语仪表,转向助力电路图..铃木天语 11 不知道 [不知道**]
 有这车的空调电路图..铃木北斗星 2016 1 [LVFAB2AD1G**]
 发动机电脑针脚图..昌河北斗星北斗星 12年 k14_D [LV fab 2 A**]
 有没有08款铃木利亚纳线路图..铃木08 08 m16a [LVFAC2ADX8**]
 方向控制盒在那里,还有线路..铃木 派喜铃木 派喜 2011 1 [LVFAD2ADXB**]
 09年北斗星点火系统电路图..昌河铃木北斗星 09 1.0 [LVFAB2AB59**]
 北斗星保险丝标示..昌河北斗星 08 K14
 北斗星E+玻璃升降器电路图..昌河铃木北斗星E+ 2011 K14B [LVFAB2AD8B**]
 网络拓扑图和OBD诊断电路图..铃木Jimny吉姆尼 2008 M13A [JS3JB43V18**]

Copyright @ 2009 www.car388.com All rights reserved. 蜀ICP备12014226号-2 增值电信增值业务许可证:川B2-20190647 服务电话:028-87038205 87039205 87020205 川公网安备 51010502010015号 公司地址:成都市龙泉驿区经开区南二路309号 鼎峰动力港 企业办公总部基地 12栋
2025-05-09.-.V28**