[返回列表.]    [免费下载畅易手机版APP ]

用户 zx123 **当前提问:空调鼓风机电路

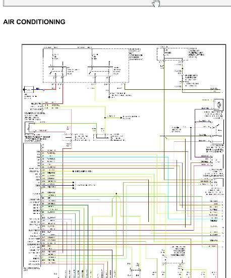
空调鼓风机电路

.尊敬的用户,欢迎你使用在线客服,你的问题客服人员已为你处理完毕,请下载附件,如有疑问,欢迎和我们联系!.2002年本田奥德赛空调电路

附件:9155179377912.rar


用户 zx123 ***其他客服问题:
  19款逍客的全车线路图.. 东风日产逍客2019-MR20
  帕萨特仪表台横梁拆装顺序.. 上海大众帕萨特02-BBG
  请帮忙找电脑板资料24+18+10针的.. 韩国现代索纳塔92-
  马自达323正时图.. 马自达马自达32304-ZM1.6
  空调鼓风机电路.. 菲亚特西耶那03-
  灯光电路图.. 东风悦达赛拉图04-
以下是广州本田相关车型的客服问题,希望对您有帮助
 2010年本田奥德赛乘客侧保险丝定义..广州本田HG6481BAA 2010.07 K24Z2 [LHGRB3866A**]
 本田奥德赛手刹车和音响电路图..广州本田奥德赛 2016 2054146 [LHGRC384XG**]
 本田雅阁2.4故障码P0325如何处理..广州本田雅阁2.4 2005 K24A41 [LHGC156635**]
 本田奥德赛车身控制模块电路图。中文版的..本田奥德赛 2007 k24a6 [LHGRB18997**]
 凌派2014—2015,车身—蓄电池管理系统1中的蓄..广州本田凌派 2015年11 R18ZH [LHGGJ7668G**]
  智能钥匙单元在哪里 前部车内天线的安装位..广州本田八代雅阁 2011 2.4 [00**]
 pcm电路图..广汽本田奥德赛 2007 K24A6 [LHGRB18847**]
 08款奥德赛的电路图能不能提供一份完整版的..广汽本田奥德赛 08 000000 [LHGRB18607**]
 08年飞度发动机电脑板端子图..广州本田飞度 2008 L15A7 [LHGGE87769**]
 08奥德赛车窗线路图..广州本田奥德赛 08 K24A6 [LHCRB18708**]
 发动机电脑板针脚图 ..广州本田思迪 2009 R18A1 [LVSHBFDICF**]
 06年本田奥德赛PC端子图..本田奥德赛 06年 2.3 [LHGRB18887**]

Copyright @ 2009 www.car388.com All rights reserved. 蜀ICP备12014226号-2 增值电信增值业务许可证:川B2-20190647 服务电话:028-87038205 87039205 87020205 川公网安备 51010502010015号 公司地址:成都市龙泉驿区经开区南二路309号 鼎峰动力港 企业办公总部基地 12栋
1.-.V25VHTML-2025-