[返回列表.]    [免费下载畅易手机版APP ]

用户 君胜 **当前提问:雨刮器和远光灯电路图还有组合开关

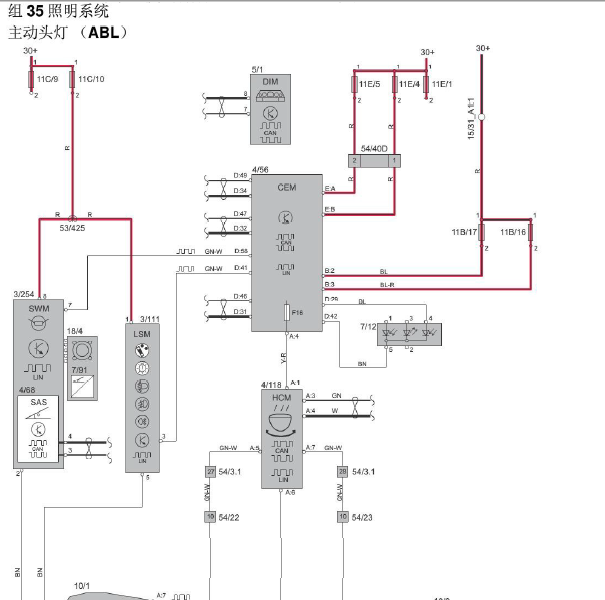
雨刮器和远光灯电路图还有组合开关电路图

.尊敬的用户,欢迎你使用在线客服,你的问题客服人员已为你处理完毕,请下载附件,如有疑问,欢迎和我们联系!.2013沃尔沃VOLVO XC90 大灯电路图

附件:71711831061565.rar


用户 君胜 ***其他客服问题:
test:
  宝马全车电路图.. 华晨宝马3182005-N46B20CA[LBVEY97044** ]
  风扇电路图.. 领克O12018-B4204T30[LB37752ZXJ** ]
  涡轮增压电磁阀线路图.. 吉普牧马人2015-2.8L[1C4BJWE55F** ]
  睿行m90ABS电路图.. 长安m9018-4g9s[LS4AFJ296J** ]
  发动机系统电路图及针脚定义.. 现代胜达经典2010-G4KE[KMHSH81B5A** ]
  机油液位 电路图.. 宝马宝马5系520Li2014-N20B20D[LBV5S1101E** ]
以下是沃尔沃相关车型的客服问题,希望对您有帮助
 启动电路图..沃尔沃亚太XC60 48V2.0T 自动 B5 四驱智逸豪华版 2024 B420T2(2.0) [LYVUEL1D1R**]
 寻找行李箱锁块电路图 沃尔沃S80L 09年..沃尔沃沃尔沃S80L 09年3月 B5254T [LVSHGFAJ39**]
 沃尔沃S40发动机电控系统诊断手册 或者设置..沃尔沃S40 07 2.4 [LVSHEFEK07**]
 沃尔沃s60氧传器电路图..沃尔沃s60 2012 B4164T [YV1FS4857C**]
 17年沃尔沃xc60线路图..沃尔沃xc60 2017 2.0 [LYVDE40A4H**]
 14年沃尔沃V40音响电路图有吗03SS..沃尔沃V40 2014 00
 沃尔沃B5204T8发动机维修资料..沃尔沃S60L 2015 B5204T8 [LYVFD42A8F**]
 沃尔沃XC60前轮轴承安装方法..沃尔沃xc60 2017 123 [LYVDF40A2H**]
 需要2017款沃尔沃S60L室外温度传感器拆装手册..沃尔沃S60L 2017 B4204T19
 沃尔沃s40维修手册及全车电路图..沃尔沃s40 2009 caf488q3 [lvshefac79**]
 发动机维修手册..沃尔沃XC60 T5 DZ475B1 2013 -12 B4204T7 [YV1DZ4758E**]
 发动机电路图 01SS..沃尔沃S40 2005 B5244S4 [LVSHEFEK75**]

Copyright @ 2009 www.car388.com All rights reserved. 蜀ICP备12014226号-2 增值电信增值业务许可证:川B2-20190647 服务电话:028-87038205 87039205 87020205 川公网安备 51010502010015号 公司地址:成都市龙泉驿区经开区南二路309号 鼎峰动力港 企业办公总部基地 12栋
2025-01-14.-.V25VHTML-2025-