[返回列表.]    [免费下载畅易手机版APP ]

用户 何老 **当前提问:发动机冷起动预热控制线路图,请给

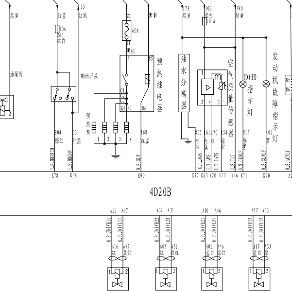
发动机冷起动预热控制线路图,请给下文件

.尊敬的用户,欢迎你使用在线客服,你的问题客服人员已为你处理完毕,请下载附件,如有疑问,欢迎和我们联系!2012年长城H5发动机预热控制线路图.

附件:20611833887474.zip


用户 何老 ***其他客服问题:
test:
  阅读灯电路图.. 宝马X52012-1[5UXZV4C57D** ]
  发动机润滑系统图.. 宝马X32007-N52B25BF[WBAPC7102A** ]
  奔驰273发动机大修技术数据(扭矩).. 奔驰GL5502010-273963[4JGBF8GE7A** ]
  做后门锁电路图.. 一汽大众迈腾2.0TSI 双离合 330TSI 尊贵型2019-DBF(2.0)[LFV3A23C8J** ]
  找下这个车的刹车真空日助力电动泵线路图.. 大众帕萨特2007-BGC[LSVDL49F27** ]
  查一下这个车的燃油压力值.. 福特福克斯09-1[LVSHCFME69** ]
以下是长城相关车型的客服问题,希望对您有帮助
 冷却风扇电路图..长城汽车VV5s2.0T 双离合 旗舰型 2017 GW4C20(2.0) [LGWEE6A53H**]
 哈弗H6 PHEV 高压电池维修手册..长城哈弗 2023 GW4B15D [LGWEFUA57N**]
 长城炫丽的启动线路图有吗..长城牌炫丽 2009 10 GW4G13 [CC7132SM01**]
 长城H6发动机电脑怎么匹配17年..长城H6 16 GW4G15B [LGwEF4A58G**]
 柴油发动机4D20发动机电路图..长城柴油H6 2012.12 2.0t
 14年长城C50高配全车线路图 需要准确的 不然..长城C50 2014年9月 GW4G15T [LGWEF3K52E**]
 汽油版中控线路图..哈弗H5 2012 4G63S4M [LGWEF3A55C**]
 更换VCU和多媒体主机的步骤..长城芭蕾猫 2023 1 [1**]
 手动变速箱拆解图 型号 0013A 1700000-0013A 130..长城汽车C50 2013年 1304554574 [LGWEF3K58D**]
 风骏3发动机电路图..长城长城风骏3 2011 2.2 [LGWCA2195D**]
 15长城H6电路图..长城H6 15 111111 [111111**]
 发动机电脑针脚定义图..长城H6 2014 GW4CG15B [LGWFF4A50E**]

Copyright @ 2009 www.car388.com All rights reserved. 蜀ICP备12014226号-2 增值电信增值业务许可证:川B2-20190647 服务电话:028-87038205 87039205 87020205 川公网安备 51010502010015号 公司地址:成都市龙泉驿区经开区南二路309号 鼎峰动力港 企业办公总部基地 12栋
2025-01-14.-.V25VHTML-2025-