[返回列表.]    [免费下载畅易手机版APP ]

用户 15169596 **当前提问:轩逸倒车雷达线路图

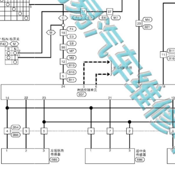
轩逸倒车雷达线路图

.尊敬的用户,欢迎你使用在线客服,抱歉,轩逸没有14年的电路图,客服给您查找了12-13年的雷达电路图作为参考,你的问题客服人员已为你处理完毕,请下载附件,如有疑问,欢迎和我们联系!2012-2013年日产轩逸雷达电路图..

附件:64901880144140.rar


用户 15169596 ***其他客服问题:
test:
  遥控器控制盒位置和线路图.. 别克君越08年11月-LE5[LSGWS52X08** ]
  奔腾B50车灯线路图.. 一汽奔腾B502015年3月-BWH[LFP83ACC0F** ]
  天津一汽威乐电脑线路图和燃油泵线路图麻烦.. 天津一汽威乐2009.9-5A+[LFP53ACC49** ]
  奔腾B50行车灯线路图.. 一汽奔腾B502015年3月-BWH[LFP83ACC0F** ]
  五菱之光6390QF电脑版线路图.. 五菱6390QF2011.10-LZY[LZWACAGA8B** ]
  比亚迪S6智能钥匙系统控制器.. 比亚迪S611-BYD483QB[LGXC14CG2B** ]
以下是东风日产牌相关车型的客服问题,希望对您有帮助
 升降器线路,平台上的不对,主门升降器电机..日产轩逸 2022 1 [LGBH92E04N**]
 08款东风日产轩逸(新蓝鸟)变速箱电磁阀电..东风日产轩逸(新蓝鸟) 2008 HR16 [LGBH12E088**]
 带记忆的电动座椅线路图..东风日产轩逸 2011 12 MR20 [LGBH1AE06B**]
 07年轩逸保险盒中文定义,发动机舱保险盒电..东风日产轩逸 07.12.19 MR20 [LGBH1AE047**]
 车身电脑4插座针脚定义及电路图..东风日产轩逸 19 HR16 [LGBH52E09K**]
 安全防盗系统电路图和保险和继电器位置及分..东风日产轩逸 2019 HR16 [LGBH52E01K**]
 2021年日产轩逸底盘代号B18的维修手册线路图..日产轩逸 2021 HR16
 发动机和变速箱的电路图..东风日产轩逸 2010 MR20 [DFL7200VCC**]
 发动机电脑板阵脚图..日产轩逸 2021 HR16DE [LGBH52E00M**]
 自动空调电路图..东风日产轩逸经典 2014 HR10 [LGBH12E20E**]
 发动机电脑插头位置针脚图,..东风日产轩逸 2020 HR16 [LGBH52E03L**]
 鼓风机线路图..东风日产轩逸 2009年 hr16

Copyright @ 2009 www.car388.com All rights reserved. 蜀ICP备12014226号-2 增值电信增值业务许可证:川B2-20190647 服务电话:028-87038205 87039205 87020205 川公网安备 51010502010015号 公司地址:成都市龙泉驿区经开区南二路309号 鼎峰动力港 企业办公总部基地 12栋
2025-01-14.-.V25VHTML-2025-