[返回列表.]    [免费下载畅易手机版APP ]

用户 wysxfa **当前提问:雷克萨斯RX270 电动尾门电路图

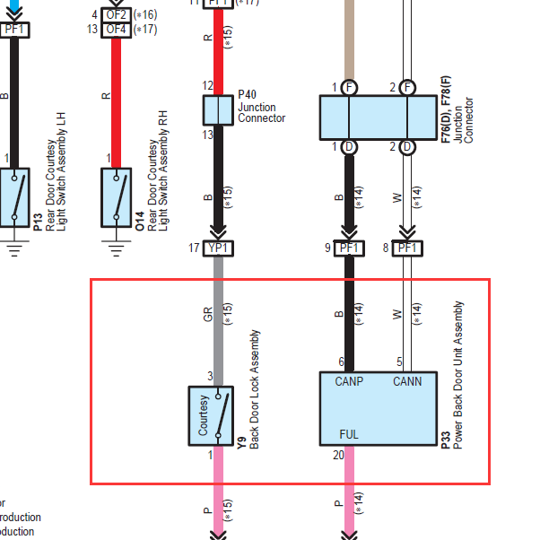
雷克萨斯RX270 电动尾门电路图

.尊敬的用户,欢迎你使用在线客服,你的问题客服人员已为你处理完毕,请下载附件查看,第二页就是,如有疑问,欢迎和我们联系!.2012年雷克萨斯RX270 尾门锁电路图.

附件:42081120614437.rar

.尊敬的用户,欢迎你使用在线客服,你需要的资料在《畅易汽车维修技术支持平台》是有的,请直接登陆查询!查询方法:国外厂家 -> Lexus(凌志-雷克萨斯)-RX270-2012-2014[ 线路图 ]- >系统电路图 ->电动背门..2012-2014年雷克萨斯RX270  尾门电路图


用户 wysxfa ***其他客服问题:
test:
  防盗故障码B1006 .. 长城皮卡风骏5 11年7月-4G69S4N 三菱汽油
  玻璃升降器电路图 左右前门升降器右自动升.. 东风日产皮卡瑞琪2015年12月-ZD25TCI[LJNTGUCS0F** ]
  仪表和发动机以及车身电脑的电路图.. 东风风行 风行T52018-4A91T[LGG8D3D18J** ]
  音响和全车360全景影像电路图,和360电脑安装.. 海马福美来2017- HM474Q-T [LH16CKJ08H** ]
  中央手扶箱通道拆装方法图.. 奔驰S400LS400L13年11月-276 842[WDDUG6FB1E** ]
以下是雷克萨斯相关车型的客服问题,希望对您有帮助
 雷克萨斯故障码查询u0232..雷克萨斯lx570 2017 3UR-FE [JTJHY00W9H**]
 2021年雷克萨斯LS500主驾驶和副驾驶座椅靠背拆..雷克萨斯LS500 2021 8GR [999**]
 2001年雷克萨斯LS430电路图和位置图..雷克萨斯LS430雷克萨斯 2001 3UZ [JTHBN30F60**]
 维修手册..雷克萨斯IS250 14 4GR [JTHBF1D21E**]
 空调系统中文电路图,空调面板控制器电路图..雷克萨斯ES250 2014年11日 2AR [JTHBJ1GG8E**]
 麻烦找一下转向角度传感器的电路图,发个文..雷克萨斯RX350h 2023 A25B-FXS [JTJCFMJAON**]
 我要这款车的防盗模块安装位置..凌志RX270 2013 IAR [JTJZA11AXC**]
 雷克萨斯IS300气囊,左侧行人检测传感器位置..雷克萨斯IS300 2018 8AR
 06年雷克萨斯音响电路图..雷克萨斯es300 06年 3GR [JTHBG96S55**]
 10年雷克萨斯 ES240的 智能钥匙的零件位置图..雷克萨斯ES240 2010 1AZ
 老款雷克萨斯ABS泵电路图..雷克萨斯雷克萨斯LS460L 2006 1UR-FE [JTHGM46F76**]
 混动车型 求高压电池位置及拆卸步骤 ..雷克萨斯CT200H 2017 0000

Copyright @ 2009 www.car388.com All rights reserved. 蜀ICP备12014226号-2 增值电信增值业务许可证:川B2-20190647 服务电话:028-87038205 87039205 87020205 川公网安备 51010502010015号 公司地址:成都市龙泉驿区经开区南二路309号 鼎峰动力港 企业办公总部基地 12栋
2025-01-14.-.V25VHTML-2025-