[返回列表.]    [免费下载畅易手机版APP ]

用户 东汽 **当前提问:东风本田xnv的pcm模块位置图,还有整

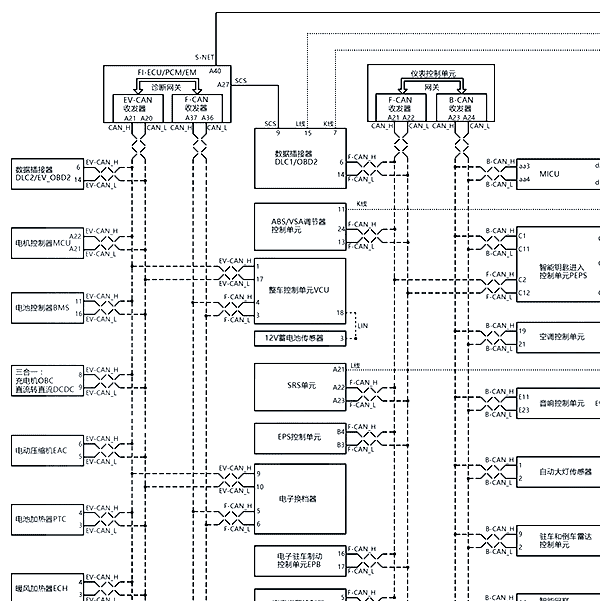
东风本田xnv的pcm模块位置图,还有整车的网络通讯图

.尊敬的用户,欢迎你使用在线客服,你的问题客服人员已为你处理完毕,请下载附件,如有疑问,欢迎和我们联系!2020年本田XNV整车的网络通讯图.

附件:93581912932133.zip

.尊敬的用户,欢迎你使用在线客服,你需要的资料在《畅易汽车维修技术支持平台》是有的,请直接登陆查询!查询方法:国内厂家 -> 东风本田-X-NV-2020[ 维修手册/诊断 ] - >车身电气系统 - >继电器和控制单元位置.2020年东风本田-X-NV PCM位置


用户 东汽 ***其他客服问题:
  xvn全车的保险和继电器的位置图.. 东风本田xnv2020-无
  资料库没有东风本田思域混合动力版电路图和.. 东风本田思域(FB4)2011款-Lea2[JHMFB4625C** ]
  资料没有东风风光ix5的维修手册和电路图.. 东风风光Ix52021款-1.5t[LVZA53P9XJ** ]
  东风风光IX5的ABSESPEPB系统电路图.. 东风风光IX52021-1.6T
以下是东风本田相关车型的客服问题,希望对您有帮助
 思铂睿的雷达系统电路图 电动车窗的图跟原..东风本田思铂睿SI 2015 2.4L K24V4 [LVHCU6690G**]
 助力方向H8501故障码含义..东风本田CR-V 13 R20A7 [LVHRM2838C**]
 你好 帮我找下这个车的遥控接收器线路..东风本田 思铭1.8 自动 2012 R18A1 [LVHC14608C**]
 16年东风本田思铂睿控制模块安装位置图,及..东风本田思铂睿 2016 2.0
 东风本田CRV节气门电路图..东风本田CRV 2016 R20A7 [LVHRM1844G**]
 17年的分布图思域转向角度传感器线路图和安..东风本田汽车有限公司DHW7101FCCSE 2017.03 P10A1 [LVHFC7638H**]
 求12款东风本田CRV 2.4,驾驶仓左侧保险盒29号..东风本田CRV 2012 2.4
 ABS线路图,平台对不上,实车13.38接地..东风本田杰德1.8 自动 EXi 舒适精英版5座 2014 R18Z6(1.8) [LVHFR1824F**]
 燃油泵电路图..东风本田思域 2017.6 L15B8 [LVHFC1566H**]
 OBD接头电路图..东风本田CR-V2.4 自动 Vti四驱豪华版 2013 K24Z8(2.4) [LVHRM4857D**]
 前面主动空气格电路图..东风本田INSPIRE(英仕派)1.5T 无级 260TURBO 精悦版 2023 L15CL(1.5) [LVHCU8648R**]
 仪表下方保险丝盒 图解.......东风本田锋范 2013 L15A7 [LHGGM2539D**]

Copyright @ 2009 www.car388.com All rights reserved. 蜀ICP备12014226号-2 增值电信增值业务许可证:川B2-20190647 服务电话:028-87038205 87039205 87020205 川公网安备 51010502010015号 公司地址:成都市龙泉驿区经开区南二路309号 鼎峰动力港 企业办公总部基地 12栋
2025-05-26.-.V28**VHTML-2025-V18-11-5---2-