[返回列表.]    [免费下载畅易手机版APP ]

用户 13755543 **当前提问:充电系统电路图

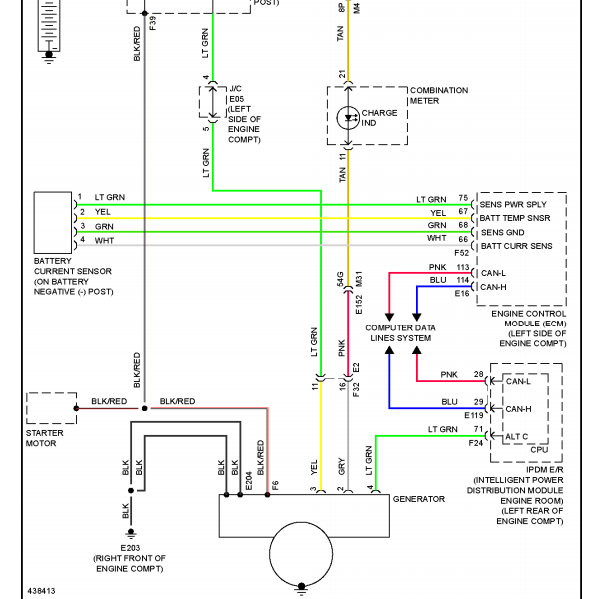
充电系统电路图

.尊敬的用户,欢迎你使用在线客服,你的问题客服人员已为你处理完毕,请下载附件,如有疑问,欢迎和我们联系!2014年英菲尼迪QX60充电系统电路图.

附件:95691916391956.zip

.尊敬的用户,欢迎您使用在线客服,您需要的资料已更新了全系统的维修手册,请您直接进入畅易平台查询!查询方法:国外厂家 ->Infiniti(英菲尼迪)-QX60-2016-2018[ 维修手册/诊断 /电路图 ].Infiniti(英菲尼迪)-QX60-2016-2018[ 维修手册/诊断 /电路图 ]


用户 13755543 ***其他客服问题:
test:
  09年福特嘉年华中控显示屏电路图.. 福特嘉年华09-ZJ[LVSHFAAA79** ]
  空调系统电路图.. 江西昌河铃木北斗星2017.02-K14B-D[LVFAB2AD4H** ]
  防盗系统电路图.. 沃尔沃S402006.8-B5244S[LVSHEFEK26** ]
  电子水泵 电子节温器拆装维修手册及电路图.. 华晨宝马523li2009.11-N52B25BE[LBVNU39069** ]
  制动系统维修手册.. 一汽丰田普锐斯2012.08-5ZR[LFMCZ34E0C** ]
  保险丝盒定义图.. WDCDA5HB2CA090522奔驰ML35012-276955[WDCDA5HB2C** ]
以下是英菲尼迪相关车型的客服问题,希望对您有帮助
 全景监视模块(AVM)维修手册 ..英菲尼迪FX35 2010 VQ35 [JNKAS15F1A**]
 电动转向助力电脑图纸..英菲尼迪Q50 2017年 VQ37 [JNKBV71E5F**]
 你好给我一份发动机电控部分维修手册,谢谢..英菲尼迪FX35FX35 2009 VQ35 [JNKAS15F59**]
 英菲尼迪FX35四驱电脑中文电路图 重点中文 ..英菲尼迪FX35 11年 中文电路图 [JNKAS15F3B**]
 英菲尼迪G25网络拓扑图..英菲尼迪G25 2014 VQ25HR [JNKDV61EXD**]
 想要英菲尼迪Q50车身电脑电路图..英菲尼迪Q50 14 VQ37
 英菲尼迪QX56 仪表电路图 ..英菲尼迪QX56 2008 VK56DE 5.6 [5N3AA08C18**]
 12年英菲尼迪FX35变速箱电脑的电路..英菲尼迪FX35 2012 1 [1**]
 英菲尼迪JX35维修资料及电路图..英菲尼迪JX35 2013年10月 VQ35 [5N1AL0MM4D**]
 升降玻璃电路图..英菲尼迪QX56 05 VK56DE [5N3AA08C05**]
 发动机线路图 2.0T..英菲尼迪QX50 2015 2.0T
 电子手刹电路图..英菲尼迪QX50 2019 KR20 [LGBW2PE46K**]

Copyright @ 2009 www.car388.com All rights reserved. 蜀ICP备12014226号-2 增值电信增值业务许可证:川B2-20190647 服务电话:028-87038205 87039205 87020205 川公网安备 51010502010015号 公司地址:成都市龙泉驿区经开区南二路309号 鼎峰动力港 企业办公总部基地 12栋
2025-01-13.-.V25VHTML-2025-V18-11-5---2-