[返回列表.]    [免费下载畅易手机版APP ]

用户 15863645 **当前提问:求 诊断can线 线路图 求网关位置

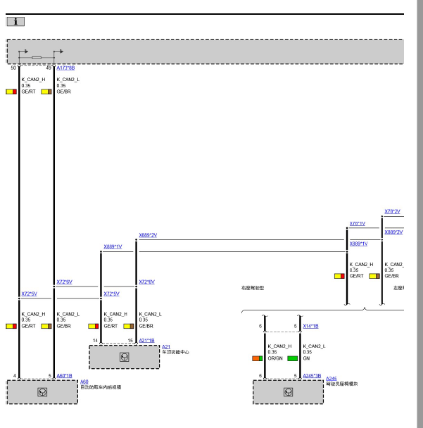
求 诊断can线 线路图 求网关位置

.尊敬的用户,欢迎你使用在线客服,抱歉,该车没有单独的网关模块,是有前部电子模块控制的网络。客服给您处理了前部电子模块的资料,你的问题客服人员已为你处理完毕,请下载附件,如有疑问,欢迎和我们联系!2017年宝马320 网络CAN电路图.

附件:32201922279625.rar


用户 15863645 ***其他客服问题:
test:
  求进口 欧宝 雅特敞篷 敞篷控制线路 最好.. 亚当 欧宝汽车ASTRA-TWINTOP2009-10-Z18XER[WOLAH3417A** ]
  15福特 福睿思 电脑端子图 供电 有吗.. 福特福睿斯2015-02-cAF479Q1[LVSHFFALXF** ]
  求 比利时进口 亚当 欧宝 ASTRA-TWINTOP 硬顶敞.. 欧宝ASTRA-TWINTOP2009-10-Z18XER[WOLAH3417A** ]
   11年 奔驰C200CGI 空调压力开关安装位置.. 奔驰C2002011-271 860[LE4GF4JB6B** ]
  03别克君威 2.5排量 电脑针脚定义.. 别克君威2003-LB8[LSGWL52D73** ]
  后备箱线路图.. 英菲尼迪q602015年4月-vq25[CLUALSLY51** ]
以下是宝马相关车型的客服问题,希望对您有帮助
 发动机维修手册..宝马X5 2010 05 N55B30A [WBAZV4103B**]
 09宝马X5维修手册..宝马X5 09 n52 [WBAFE4103A**]
 宝马525转向角度传感器位置图..宝马525 2017 N20B20C [L108DBZ54E**]
 发动机电脑针脚图 ..宝马520Li 09.3.1 N46 [LBVNT17079**]
 倒车镜线路图..宝马750 09 N64 [WBA**]
 帮我查一下这张车的空调系统资料(就是空调..宝马X1 2010 N46B20CC [WBAVL3107B**]
 09年宝马520的线路图怎么没一个对的..宝马E60 2009 N46 [1111111111**]
 气门电机位置..宝马M5 2012 S63B44B [WBSFV9101C**]
 宝马择优多功能模块针脚定义..宝马750Li 11 N63B44A [WBAKC8C57C**]
 下载后出现灰屏,请重新发送看看..宝马X3-N52发动机2.5L 2010年8月 N52 [WK32601**]
 全车模块位置图..宝马525LI 2019 B48B20C
 燃油泵控制电路图..宝马730li 2010 n52 [wbakb2108a**]

Copyright @ 2009 www.car388.com All rights reserved. 蜀ICP备12014226号-2 增值电信增值业务许可证:川B2-20190647 服务电话:028-87038205 87039205 87020205 川公网安备 51010502010015号 公司地址:成都市龙泉驿区经开区南二路309号 鼎峰动力港 企业办公总部基地 12栋
2025-01-13.-.V25VHTML-2025-V18-11-5---2-