[返回列表.]    [免费下载畅易手机版APP ]

用户 13143586 **当前提问:发动机螺栓扭矩

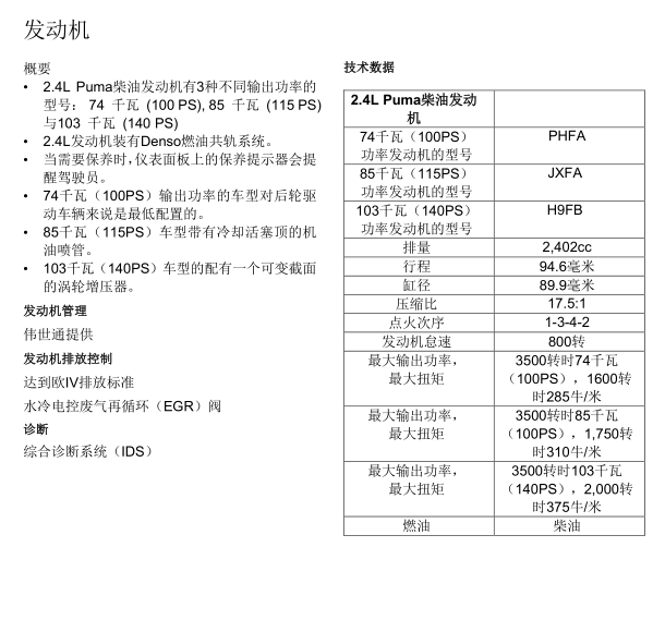
发动机螺栓扭矩

.尊敬的用户,欢迎你使用在线客服,客服为您处理了其他年款全顺2.4柴油机维修手册,你的问题客服人员已为你处理完毕,请下载附件,打开链接,复制密码去下载资料,如有疑问,欢迎和我们联系!.全顺2.4柴油发动机扭矩

附件:3016745583504.rar


用户 13143586 ***其他客服问题:
test:
  主继电器位置.. 福特福克斯2014-C6[LVSHCFDB4E** ]
  关于CAN的线路图 .. 奔驰S4002010-272 974[WDDNG9FB0A** ]
  后排鼓风机的电路图.. 奥迪A8L2012-CGW3.0[WAURGB4H4C** ]
  防撞控制器在哪里,还有电路图.. 奔驰GLC18-274[WDCOJ4DB8K** ]
  缸盖螺丝和连杆螺丝扭矩.. 东风风神A602014-HR16[LGJE1FE2XE** ]
  无钥匙进入模块的位置.. 梅赛德斯奔驰S4002010-272 974[WDDNG9FB0A** ]
以下是江铃全顺相关车型的客服问题,希望对您有帮助
 新时代全顺PRO 启动电路图..江铃全顺全顺PRO 2021年3月 DURATORQ4D226H [LJXCMDJD9M**]
 2020款福特全顺空调电路图..福特全顺 2020 2.2t [ljxcmddb9l**]
 福特全顺17座全车电路图..福特全顺 11 2.4 [LJBHDJE6BT**]
 2016年福特全顺右中平移门电路图..江铃福特全顺 2016 DURATORQ4D205L [LJXCLDDB4G**]
 这辆柴油发动机的电路维修手册和故障诊断手..j江铃全顺全顺 2017 年 9月 DURATORQ4D225H [LJXBHDJD0H**]
 发动机电脑端子..江铃全顺 2015 DURATORQ4D244L
 仪表电路图 和里程传感器的电路图..福特全顺全顺 柴油 07 2.8
 正时皮带安装图..江陵全顺 2010 JX493CLQ3 [LJXCMCCB0A**]
 ..江铃全顺柴油 2009 全车电路图
 发动机电脑各针脚的说明和通讯线路图。谢谢..江铃全顺新时代 201407 DURATORQ4D244L [LJXBMDJDXE**]
 胎压系统维修手册,胎压传感器的学习等相关..江铃全顺江铃福特全顺 2021-02 DURATORQ4D226H [LJXBMDJD3L**]
 启动电路图..江铃全顺全顺 2015 DURATORQ4D24A4L [LJXCMCDB7F**]

Copyright @ 2009 www.car388.com All rights reserved. 蜀ICP备12014226号-2 增值电信增值业务许可证:川B2-20190647 服务电话:028-87038205 87039205 87020205 川公网安备 51010502010015号 公司地址:成都市龙泉驿区经开区南二路309号 鼎峰动力港 企业办公总部基地 12栋
2025-01-13.-.V25VHTML-2025-