[返回列表.]    [免费下载畅易手机版APP ]

用户 WANGGUAN **当前提问:环境温度传感器电路图以及部件位置

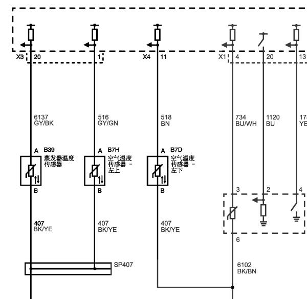
环境温度传感器电路图以及部件位置

.尊敬的用户,欢迎你使用在线客服,你需要的资料在《畅易汽车维修技术支持平台》是有的,请直接登陆查询!查询方法:国内厂家 ->上海别克-商务车(GL8)-2011-[ 维修手册/诊断 /电路图 ] ->10章暖风、运风与空调系统->自动暖风、通风与空调系统->示意图和布线图->暖风、通风与空调系统示意图(传感器)(环境温度传感器位置请下载附件查看).2011年别克GL8环境温度传感器电路图

附件:53441946554231.zip

.尊敬的用户,欢迎你使用在线客服,你需要的资料在《畅易汽车维修技术支持平台》是有的,请直接登陆查询!查询方法:国内厂家 -> 上海别克-商务车(GL8)-2011-[ 维修手册/诊断 /电路图 ] -> 第1章暖风、通风和空调系统 -> 1.2暖风、通风和空调系统-手动 -> 1.2.2 部件定位图 -> 1.2.2.1暖风、通风和空调系统部件视图 -> 前保险杆下部.2011年上海别克-商务车(GL8)环境温度传感器位置

.尊敬的用户,欢迎你使用在线客服,你需要的资料在《畅易汽车维修技术支持平台》是有的,请直接登陆查询!查询方法:国内厂家 -> 上海别克-商务车(GL8)-2011-[ 维修手册/诊断 /电路图 ] -> 第1章暖风、通风和空调系统 -> 1.2暖风、通风和空调系统-手动 -> 1.2.1示意图和布线图.2011年上海别克-商务车(GL8) 空调电路图


用户 WANGGUAN ***其他客服问题:
test:
  长城酷熊仪表.ABS和发动机电脑 线路图.. 长城酷熊2009、12-GWAG15[LGWED2A409** ]
  自动变速箱维修手册及端子图.. 斯巴鲁XV2013-FB20[JF1GP26DXD** ]
  要变速箱电脑板的控制电路图 以及变速箱插.. 克莱斯勒公羊2010-3.0的排量[不详** ]
  发动机电脑端子结构图以及电路图.. 英菲尼迪G352007-VQ35[JNKBV61EX7** ]
  2012年 进口现代新胜达 闪光继电器位置,线路.. 现代新胜达2012-2.4[KMHSH81B8C** ]
  发动机正时安装标记 凸轮轴安装 凸轮轴.. 郑州日产皮卡 ZN1031U202002 06-KA24DE
以下是别克相关车型的客服问题,希望对您有帮助
 ABS维修手册,带牵引功能的..别克陆尊 2007 3.0
 远程信息处理控制模块安装位置..别克君越 2018 LTG [LSGZJ5AL8J**]
 19年别克昂科拉前部摄像头控制模块电路图..别克昂科拉 2019 1.3
 别克遥控钥匙编程设置..别克LACROSSE(君越) 全部年份 全系列 [全系列**]
 电脑针脚图..别克威朗 2017 l3g [LSGBC5340H**]
 16年别克GL8整车can线线路图..别克GL8 2016.11月 LTG [LSGUL83L1H**]
 p0852-00故障码维修手册..别克君越 2016-05 LFV [LSGZJ5359H**]
 GL8的油表电路图..别克GL8 2011 11 [LSGUA84X1B**]
 高位刹车灯保险丝位置 在哪..别克君越 2007 1 [LSGWS52X27**]
 全车电路图(OBD的6和14脚分别是黄色和绿色)..别克gl8 2006 LZC 3.0L [LSGUD82C36**]
 06年别克HRV ABS电路图..别克HRV 2006 F16D3 [LSGJT62U56**]
 14年别克凯越电路图..别克凯越 14年9月 L2B [LSGJA52H5E**]

Copyright @ 2009 www.car388.com All rights reserved. 蜀ICP备12014226号-2 增值电信增值业务许可证:川B2-20190647 服务电话:028-87038205 87039205 87020205 川公网安备 51010502010015号 公司地址:成都市龙泉驿区经开区南二路309号 鼎峰动力港 企业办公总部基地 12栋
2025-01-13.-.V25VHTML-2025-