[返回列表.]    [免费下载畅易手机版APP ]

用户 兵兵 **当前提问:13年铃木派喜玻璃升降器电路图

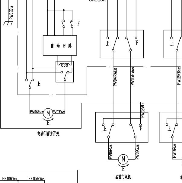
13年铃木派喜玻璃升降器电路图

.尊敬的用户,欢迎你使用在线客服,你的问题客服人员已为你处理完毕,请下载附件,如有疑问,欢迎和我们联系!2013年铃木派喜玻璃升降器电路图.

附件:78971950693651.zip


用户 兵兵 ***其他客服问题:
test:
  长安跨越 发动机(DK15-07)针脚图.. 长安跨越2015-78KW
  欧宝安德拉2010年2.4l 电路图启动系统部分.. 欧宝安德拉2010-2.4
  2014年,1.8排量丰田逸致2ZR的发动机变速箱电.. 丰田逸致2014年-1.8
  北汽幻速,s2 ABS部分个 仪表部分 和车身.. 北汽s22014-1.5L
以下是铃木相关车型的客服问题,希望对您有帮助
 我要这个车的保险盒图片和电路图..铃木浪迪 2010 K12B-A [LVFAD1AC7B**]
 音响,档位显示线路..铃木凯泽西 2010 1 [JS2RE91S9A**]
 防盗盒电路图和发动机电脑电路图..铃木利亚纳 2006 M16A [LVFAC5AD07**]
 天窗设定s ..铃木羚羊 2000-2012
 铃木吉姆尼报P0123节气门位置传感器回路高,..铃木吉姆尼 2014 111 [JS3JB43VXE**]
 清洗节气门喷油嘴,更换火花塞以后早上冷车..铃木天语 2010 [LS5A3ADE3A**]
 找一下四驱电路图..铃木吉姆尼 2014 m13a [JS3JB43V6E**]
 找不到发动机电脑针角图,这个车的发动机电..铃木利亚纳 09年 M16A [LVFAC2ADX9**]
 麻烦告诉一下XL-7的保养等灯归零是怎么调的s..铃木XL-7 2007-2009
 来一份前大灯线路图 灯泡是三插的 ..铃木雨燕 2010 1.5L
 10年昌河铃木浪迪曲轴位置传感器位置图..铃木浪迪 2010 K14B-A [LVFAD1AD5A**]
 10铃木凯泽西 车身电脑控制图..铃木凯泽西 10 J24B

Copyright @ 2009 www.car388.com All rights reserved. 蜀ICP备12014226号-2 增值电信增值业务许可证:川B2-20190647 服务电话:028-87038205 87039205 87020205 川公网安备 51010502010015号 公司地址:成都市龙泉驿区经开区南二路309号 鼎峰动力港 企业办公总部基地 12栋
2025-01-13.-.V25VHTML-2025-V18-11-5---2-