[返回列表.]    [免费下载畅易手机版APP ]

用户 18181856 **当前提问:庆铃taga雨刮电路图

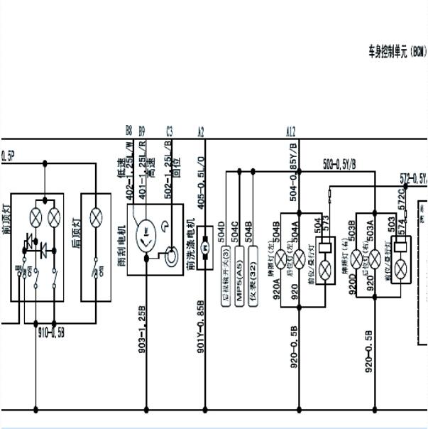
庆铃taga雨刮电路图

.尊敬的用户,欢迎你使用在线客服,你的问题客服人员已为你处理完毕,请下载附件,如有疑问,欢迎和我们联系!.2018年庆铃TAGA雨刮电路图

附件:86531891572125.zip

.尊敬的用户,欢迎你使用在线客服,你需要的资料在《畅易汽车维修技术支持平台》是有的,请直接登陆查询!查询方法:国外厂家 -> Isuzu(五十铃)-达咖(TAGA)-2018[ 线路图 ] -> BCM、灯光、中控、雨刮洗涤.2018年Isuzu(五十铃)-达咖(TAGA)雨刮电路图


用户 18181856 ***其他客服问题:
  中华h330发动机电路图不对.. 华晨中华中华h3302013 12-bm15[LSyybaca1d** ]
  没有仪表电路图.. 东风日产轩逸2012-mr20[,LGVH1AE07** ]
  没有油泵电路图.. 江淮m32017-hfc4gb3-3d[LJ166A22XH** ]
  没有车窗电路图.. 一汽丰田普拉多2009-1gr[LFMGJ27219** ]
  没有日产轩逸的车窗电路图.. 东风日产轩逸2016-hr16[lgbh52e00g** ]
  帮忙找一下燃油泵系统电路图.. 现代全新胜达2011-g4k1[KMHSH81B2B** ]
以下是庆铃相关车型的客服问题,希望对您有帮助
 Pm传感器电路图..庆铃TAGA 2021 4KH1CT6H1 [LWLTHCZD8M**]
 发动机电路图..庆铃五十铃 2009 4JB1-TC1
 所有灯光电路图..庆铃柴油皮卡皮卡 2011 4JB1 [LWLTFS7D6B**]
 庆铃600p大灯线路图..庆铃600P 18 五十铃
 查询一下这个车的雨刮器电路图..庆铃汽车TAGA3.0T 手动 四驱超豪华版标轴 2021 4KH1CT6H1(3.0) [LWLTHCZDXL**]
 庆铃皮卡发动机转速信号线路图..庆铃五十铃 2012 4JB1-TC1 [LWLNHR8E1C**]
 庆铃皮卡正时标记图..庆铃皮卡 08年 4ZE3-MP [LWLTFSND48**]
 发动机为100P 4JB1_TC 故障现象难启动 故障..庆铃股份有限公司庆铃皮卡 2011年9月6日 3B019475 [LWLTFR7D2B**]
 空调控制线路..庆铃皮卡 2014 4JB1CT 2.8L [LWLTFA2D8F**]
 发电机电路图..庆铃 五十铃TF 2012年 4JB1 [LWLTFS7D8C**]
 这个车泡水了,庆铃皮卡的全车电路图和发动..庆铃五十铃 2015 4JB1CT [LWLTFA2D3F**]
 电脑版针脚图..庆铃皮卡 2009 4KH1-TC1 [LWLTFRXD49**]

Copyright @ 2009 www.car388.com All rights reserved. 蜀ICP备12014226号-2 增值电信增值业务许可证:川B2-20190647 服务电话:028-87038205 87039205 87020205 川公网安备 51010502010015号 公司地址:成都市龙泉驿区经开区南二路309号 鼎峰动力港 企业办公总部基地 12栋
2025-05-26.-.V28**VHTML-2025-V18-11-5---2-