[返回列表.]    [免费下载畅易手机版APP ]

用户 wwj6888 **当前提问:发动机电控系统,以及发动机传感器

发动机电控系统,以及发动机传感器安装位置,发动机电脑板位置

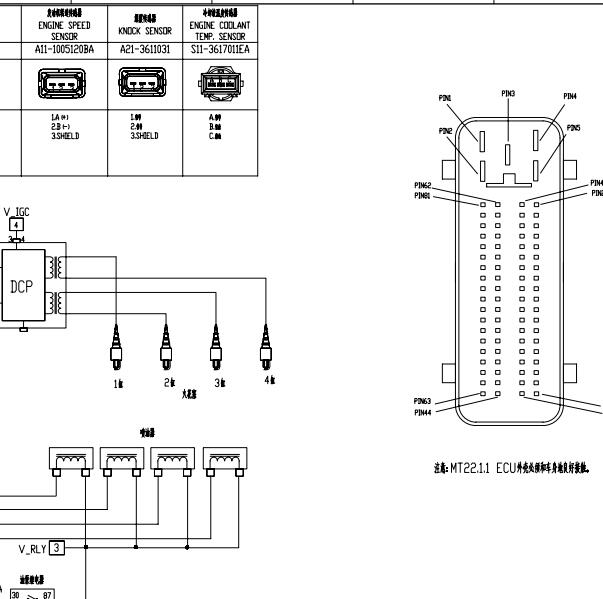
.尊敬的用户,欢迎你使用在线客服,抱歉资料库里没有战旗的资料。有用户提到过4G20C发动机是MT22电脑。客服处理了MT22电脑电路图,如需要请下载附件查看。给您带来不便,请谅解!.2010年奇瑞A15发动机电脑版MT22.1针脚

附件:5435278034914.rar


用户 wwj6888 ***其他客服问题:
test:
  天窗排水管拆装.. 宝马X52009-N52B30BF[WBAFE4106A** ]
  发动机分解安装,正时安装图.. 宝马GT 320i2017-B48B20A[WBA8X3103H** ]
  氧传感器加热控制电路图,资料要全面的,这.. 本田雅阁2005-K24A4[LHGCM56685** ]
  DSC模块位置,和DSC控制电路图.. 宝马 X5 3.0si2009-N52B30BF[WBAFE4106A** ]
  正时链条安装,平衡轴安装,凸轮轴安装分解.. 宝马116i2012- N13B16A[WBA1A110XC** ]
  网络拓朴图,以及各模块安装位置,.. 宝马X5 3.0si2009-N52B30BF[WBAFE4106A** ]
以下是北汽制造相关车型的客服问题,希望对您有帮助
 战旗仪表线路图..北汽战旗 2016 4G20B [LNBRCEBA4G**]
 仪表电源线路图..北汽制造锐铃2.2 手动 2011 4G22D4(2.2) [LHBM3HDE8C**]
 保险丝盒电路图和发动机电路图..北汽战旗 2010 4G20 [LNBRCEBAXB**]
 16款北汽幻速S6安全气囊电路图和网络拓补图..北汽制造幻速S6 2016年 F15D [LNBMCBAH5G**]
 左后转向灯电路图..北汽制造勇士2.8T 手动 2019 ISF2.8s4161P(2.8) [LNBRCDTCXM**]
 北汽战旗2016款2.0L仪表电路图..北汽制造战旗 2016 00 [LNBRDDBA5H**]
 发动机电路图,节气门电路图。..北汽制造战旗1.5T 手动 CK 2019 4A91T(1.5) [LNBRCEAA5K**]
 大灯维修线路..北汽制造战旗2.0 手动 硬顶版豪华型 2016 4G20B(2.0) [LNBRCFBA9H**]
 18年勇士,ECU30发动机电路图..北汽制造勇士 2018年 JE493ZLQ5D [LHBR4HTN0J**]
 没有自来哦..北汽制造家宝添喜版 2023 TZ160XFDM14B(电动机)(电动) [HJ4DAB1C7P**]
 点火开关电路图..北汽制造域胜0072.0 手动 两驱都市豪华型 2011 4G20D4(2.0) [LNBMCFBF9C**]
 保险盒安装位置?..北汽制造战旗 2014 4G20B [LNBRCDBA7E**]

Copyright @ 2009 www.car388.com All rights reserved. 蜀ICP备12014226号-2 增值电信增值业务许可证:川B2-20190647 服务电话:028-87038205 87039205 87020205 川公网安备 51010502010015号 公司地址:成都市龙泉驿区经开区南二路309号 鼎峰动力港 企业办公总部基地 12栋
2025-01-13.-.V25VHTML-2025-V18-11-5---2-