[返回列表.]    [免费下载畅易手机版APP ]

用户 锦鑫 **当前提问:ACC继电器电路图和PEPS智能电脑电路图

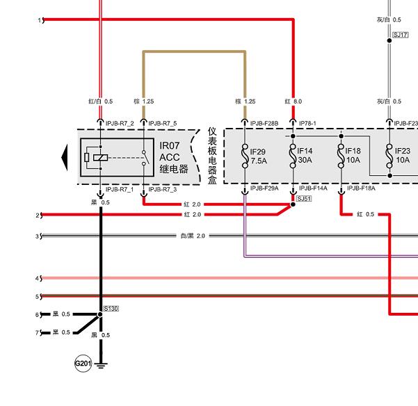
ACC继电器电路图和PEPS智能电脑电路图

.尊敬的用户,欢迎你使用在线客服,你的问题客服人员已为你处理完毕,请下载附件,如有疑问,欢迎和我们联系!.2015年广汽传祺GS5 ACC继电器电路图

附件:33931344962265.rar


用户 锦鑫 ***其他客服问题:
test:
  我想找到在油门踏板位置传感器中 传感器1.. 中华v316- bm15LC[LSYYDACB1G** ]
  与无线收发模块的通讯漏失的保险资料.. 长安福特锐界2016- CAF488WQ5 [LVSHFCAC0G** ]
  点火电路图.. 大众 凯路威2000- AWV;AXK [LACZZZ70ZY** ]
  中华v3整车线束图 油门踏板搭铁线串电.. 华晨中华v316-bm15lc[LSYYDACB1G** ]
  右前门锁块电路帮我找一下,我的是八根线的.. 大众帕萨特2011- CED [LSVET69F4B** ]
  东风风行Q7机舱保险盒图.. 柳州东风风行风行2010-4G63[LGG152G21A** ]
以下是 传祺 相关车型的客服问题,希望对您有帮助
 15年GS5 SUPER智能盒PEPS线路图和针脚定义图..广汽传祺GS5 SUPer 2015 4B18 [LMGDG1C58F**]
 博士ME17电脑板针脚图..传棋GS5 2016 博士ME17电脑板
 曲轴位置传感器位置..广汽传祺GS5 2015 4B18M1 [LMGDG1C5XF**]
 防盗系统原理..传祺GS5 2013.06 4B18M1 [LMGDG3G52D**]
 智能盒线路图以及安装位置..传祺GS5 15 2.0
 PEPS的针脚和电路图..广汽乘用车GS52.0 手自一体 豪华版 2012 4B20K2(2.0) [LMGDK1G53D**]
 BCM电路图..传琪GS5 2013 04 4B20K2 [LMGDK1G5XD**]
 广汽传祺GS5 1.8T正时皮带安装图 记号..广汽传祺GS5 2013 1.8T
 广汽传奇GS5倒车雷达模块安装位置..广汽传奇GS5 2013 4B20K2 [LMGDK1325D**]
 发动机正时装配图..广汽传祺GS5 2013 4B18M1 [LMGDG3G55D**]
 能不能帮我查一下GS4PHEV电机旋变值是多少.. 传祺 GS4 PHEV 2017 4A15K2 [LMGAJ1S24H**]
 ABS针脚定义..广汽传祺GS5 2019 4A15J1 [LMWDT1G83K**]

Copyright @ 2009 www.car388.com All rights reserved. 蜀ICP备12014226号-2 增值电信增值业务许可证:川B2-20190647 服务电话:028-87038205 87039205 87020205 川公网安备 51010502010015号 公司地址:成都市龙泉驿区经开区南二路309号 鼎峰动力港 企业办公总部基地 12栋
2025-01-13.-.V25VHTML-2025-V18-11-5---2-