[返回列表.]    [免费下载畅易手机版APP ]

用户 王怀 **当前提问:福田拓路者4G69发动机电路图

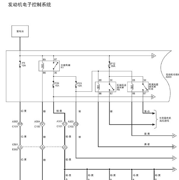
福田拓路者4G69发动机电路图

.尊敬的用户,欢迎你使用在线客服,你的问题客服人员已为你处理完毕,请下载附件,如有疑问,欢迎和我们联系!福田拓路者4G69部分电路图.

附件:70522030712764.rar


用户 王怀 ***其他客服问题:
test:
  查下发动机电脑和变速箱电脑是不是在一起的.. 福特翼虎2007-3.0[WF0YU93137** ]
  09年华泰圣达菲发动机电路图。.. 华泰圣达菲2009.2-18K4G[LRH12R2BX9** ]
  10年CRV大灯控制系统电路图.. 东风本田CRV10年8月-K24Z1[LVHRE4899A** ]
  喇叭继电器的位置.. 比亚迪宋 2017-BYD476ZQA[LGXC14DF1H** ]
  14年雪佛兰迈锐宝电脑版端子供电图.. 上海通用汽车有限公司制造雪佛兰迈锐宝14-8-LLU[LSGGG54E5E** ]
  长城哈弗M4电路图.. 长城汽车股份有限公司M42011 09-GW4G15[LGWED2A37B** ]
以下是福田相关车型的客服问题,希望对您有帮助
 4驱电路图 这个车不带前桥离合器的..福田 拓陆者 2012 ISF2.8s4161P [LVAV2MBBXD**]
 你好麻烦帮我查一下2014年福田风景G7柴油发动..福田G7 2014 2.8柴油发动机BJ493 [LVCB2NVA3E**]
 冷却风扇电路图和保险丝定义图..福田风景 二零一三 BJ493ZQ3 [LVCP2CBA3D**]
 G7车窗电路图..福田风景G7 2017 4G64
 车窗电路图..福田汽车迷迪1.3 手动 宜家升级版 2011 4G13S(1.3) [LVCP2GVA4C**]
 麻烦发份12年爱尔法仪表双插A28十B20针的针脚..福田风景爱尔法 12年 BJ491EQ4 [LVCB2NWA2C**]
 电子转向助力电路图..福田驭凌 16 1.0
 PEPS电路图..福田牌伽途IM8 2017年6月 DAM15D [LVCP2GVA3H**]
 大灯和夜行灯线路图..福田快运 2014 4J25TC [LVCP2CBAXE**]
 发动机电路图..福田时代小卡 2016 LJ469Q [LVAV2JVB1G**]
 查询一下电脑针脚图..福田时代 2019 A15G
 车速传感器电路图。仪表电路图..福田小卡车 14 4A1-68C40 [LVBV3JBB8E**]

Copyright @ 2009 www.car388.com All rights reserved. 蜀ICP备12014226号-2 增值电信增值业务许可证:川B2-20190647 服务电话:028-87038205 87039205 87020205 川公网安备 51010502010015号 公司地址:成都市龙泉驿区经开区南二路309号 鼎峰动力港 企业办公总部基地 12栋
2025-01-13.-.V25VHTML-2025-