[返回列表.]    [免费下载畅易手机版APP ]

用户 ZSCZXQ **当前提问:知豆电车电路图

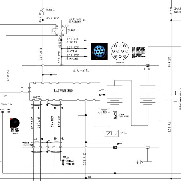
知豆电车电路图

.尊敬的用户,欢迎你使用在线客服,客服已经致电联系您,并说明没有18年的D2,客服给您查找了16年的BMS电路图,你的问题客服人员已为你处理完毕,请下载附件,如有疑问,欢迎和我们联系!2016年知豆D2电路图.BMS电路图..

附件:32172038935085.rar


用户 ZSCZXQ ***其他客服问题:
test:
  尼桑350Z娱乐系统及方向盘多功能开关电路图.. 尼桑350Z06-ZQ35[JN1AZ34D44** ]
  11年锐志发动机控制和仪表,巡航系统电路图.. 丰田锐志2011-5GR[lfmbec4d8b** ]
  全车电路图高压和低压.. 吉利康迪K17A2018-SCRMP18U2[LJUB4W2W3J** ]
  92年凯迪拉克brougham发动机控制电路图.. 凯迪拉克brougham92-5.7L[1G6DW52P1R** ]
  18年大捷龙电路图.. 克莱斯勒大捷龙2018-G[2C4RC1GGXJ** ]
  发电及启动部分电路图.. 英菲尼迪Q50L2016-274A[LGBW1PE0XG** ]
以下是吉利豪情相关车型的客服问题,希望对您有帮助
 全车维修手册SS..知豆电动车知豆 2014 [ **]
  吉利知豆电路图..吉利汽车知豆 2015 电动车
 需要 电路图 和维修手册..吉利知豆 15 电动
 知豆维修资料..众泰知豆 16 电动
 吉利知豆D1全车电路图..吉利知豆D1 15 纯电动 [LJU70W1Z1F**]
 充电电路图 03SS..知豆D1知豆D1 2015 DY-BLDC-72-9A [LJU70W1Z7F**]
 需要全车原厂电路图和维修资料,我需要要检..吉利知豆D1 2015.06 DY-BLDC-72-9A [LJU70W1Z3F**]
 2018年知豆2维修资料,维修手册和全车电路图..浙江豪情知豆2 2048 TZ175X150DYA
 2015年知豆D1GPRS详细电路图..吉利知豆知豆 2015 电机
 知豆电路图全车..浙江吉利豪情知豆D2 17年5月 TZ175X15DYN [LB370X1Z3H**]
 知豆D1电子助力电路图..知豆知豆D1 2016 电动车 [LB370X1ZXG**]
 知豆全车线路图..吉利知豆 15年 DY-BLDC-72-9A [LJU70W1Z9F**]

Copyright @ 2009 www.car388.com All rights reserved. 蜀ICP备12014226号-2 增值电信增值业务许可证:川B2-20190647 服务电话:028-87038205 87039205 87020205 川公网安备 51010502010015号 公司地址:成都市龙泉驿区经开区南二路309号 鼎峰动力港 企业办公总部基地 12栋
2025-01-13.-.V25VHTML-2025-