[返回列表.]    [免费下载畅易手机版APP ]

用户 马育 **当前提问:启动线路图

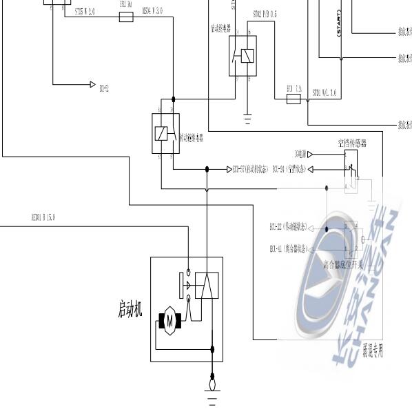
启动线路图

.尊敬的用户,欢迎你使用在线客服,你的问题客服人员已为你处理完毕,请下载附件,如有疑问,欢迎和我们联系!2016年长安CS35启动线路图.

附件:27592039676478.zip

看不清呀

.尊敬的用户,欢迎你使用在线客服,客服重新处理了平台上2015年的参考,请直接登陆查询!查询方法:国内厂家 ->长安汽车-CS35-2015[ 线路图 ] ->6.9点火电源系统2015年长安CS35启动电路图.

.尊敬的用户,欢迎你使用在线客服,你需要的资料在《畅易汽车维修技术支持平台》是有的,请直接登陆查询!查询方法:国内厂家 ->长安汽车-CS35-2016-2017[ 线路图 ->6.9点火电源系统2016-2017年长安汽车CS35启动电路图.


用户 马育 ***其他客服问题:
  发动机线路图及防盗系统线路图.. 进口现代圣达菲2006 03-G6EA[KMHSH81D26** ]
  通信网络图.. 进口本田思域2002-D16V1[NLAES76302** ]
  电动窗线路图及遥控接收器线路图.. 风神牌EQ7200-112001-EQ-436[LGBC1AC071** ]
  发动机系统线路图及发动机电脑针脚图.. 长城V802010 11-4G63S4M[LGVEF3A63A** ]
  尾门锁线路图.. 东风风光5802016 07-SFG18[LVZA53P96G** ]
  遥控接收器位置图及线路图.. 长安马自达M32009 02-LF[LVSHDFMC19** ]
以下是长安汽车相关车型的客服问题,希望对您有帮助
 全车维修手册ss..长安汽车跨越V5 2013/2014 . [.**]
 发动机部分手册..长安汽车科赛5(COS5°)1.6 手动 经典型 2019 JL478QEE(1.6) [LS5A3ABE0K**]
 2009-09-10 长安铃木奥拓发动机电脑板针脚定义..长安汽车铃木奥拓 2009-09-10 K10B [LS5A3ABD69**]
 长安cs35全车电路图..长安CS35 2020 JL473Q3 [LS5A3AKR3L**]
 电动转向助力电路图..长安汽车新豹1.3 手动 短轴 2011 BG13-20(1.3) [LSCAB33R7E**]
 麻烦帮忙查一下这个车的主副驾驶车窗线路图..长安汽车睿行M902.0 手动 超值型CNG平顶背掀门6座 2018 4G94S(2.0) [LS4AFJ292J**]
 电动车窗电路图..长安汽车神骐T30 2021/2022 . [.**]
 要空调线路,平台上的发动机型号对不上..长安汽车欧尚X70A1.5 手动 标准型 2018 JL473QG(1.5) [LS4ASM2E8J**]
 这个车发动机电脑板控制电路图..长安汽车长安之星1.0 手动 2009 JL465QH(1.0) [LS4BDB3D0C**]
 空调系统维修手册..长安汽车欧尚长行 2020/2021 . [.**]
 这个车的后挡加热后视镜加热的电路图..长安汽车致尚XT1.6 手动 俊酷型 2015 JL478QEA(1.6) [LS5A3DBE6F**]
 发动机控制单元M7针脚功能..长安汽车长安之星2-460 2008 474

Copyright @ 2009 www.car388.com All rights reserved. 蜀ICP备12014226号-2 增值电信增值业务许可证:川B2-20190647 服务电话:028-87038205 87039205 87020205 川公网安备 51010502010015号 公司地址:成都市龙泉驿区经开区南二路309号 鼎峰动力港 企业办公总部基地 12栋
2025-05-24.-.V28**VHTML-2025-V18-11-5---2-