[返回列表.]    [免费下载畅易手机版APP ]

用户 刘毅 **当前提问:安全气囊的电路图

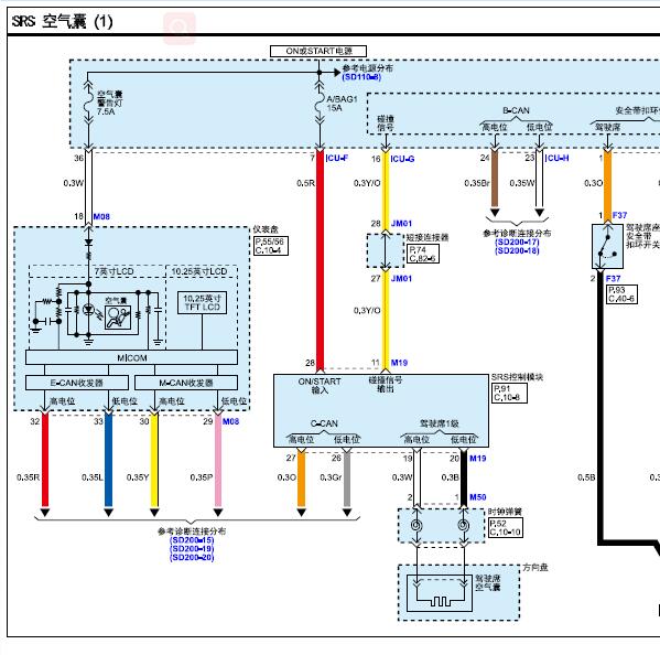
安全气囊的电路图

.尊敬的用户,欢迎你使用在线客服,你的问题客服人员已为你处理完毕,请下载附件,如有疑问,欢迎和我们联系!.2021年现代途胜气囊电路图

附件:15381862405231.rar

资料漂亮,也很清晰。谢谢


用户 刘毅 ***其他客服问题:
test:
  需要发动机电路图和针脚图,谢谢.. 北汽威旺3072016.03-A12[LNBMDLAA3G** ]
  需要发动机电脑针脚图及定义.. 路虎发现42010.08-396PN[SALAN2448B** ]
  发动机故障码P0521-00 发动机机油压力传感器性.. 上海别克GL82019-08-LTG[LSGUA84L0K** ]
  方向稳定辅助控制单元J759安装位置及电路图.. 上海大众帕萨特201605-CSS[LSVD56A48G** ]
  需要SRS系统电路图 谢谢.. 潍柴英致7272017.10-TNN4G15A[L3AKFEM3XH** ]
  需要全车的电路图。如果没有全车,请提供空.. 比亚迪S62011年11月-QCJ6480S[LGXC14CG8B** ]
以下是现代相关车型的客服问题,希望对您有帮助
 帮忙找一个13年现代伊兰特出租车版1.6发动机..现代现代伊兰特 13 1.6
 启动系统的电路图..现代瑞纳 2017 G4LC [LBECBACB5J**]
 索纳塔9发动机线路图 发动机电脑针脚图 2.0的..现代索纳塔9 2015 G4NA [LBELFAKC2F**]
 巡航定速位置 03SS..现代雅科仕现代雅科仕 2010 3.9 [KMHGH41E6A**]
 2013年现代格锐四驱系统工作原理与故障诊断..现代汽车现代格锐 2013年 G6DG—3.0L [KMHSM81D3E**]
 空调的电路图..现代索纳塔 2013 G4NA [LBEYFAKDXE**]
 进口圣达发动机电路图 电脑板端子图..现代新圣达 2013 g6dg [KMHST81DXD**]
 2011年现代酷派左右车门电路图,改剪刀门把..现代1 2011 2.0T [1**]
 智能 钥匙系统电路图,..现代维拉克斯 2007 G6DA [KMHNU81C0A**]
 保险位置名称帮忙发我一下..现代IX35 2021 1 [LBENUBKC9N**]
 现代领动开雨刮器没反应,喷水正常..现代领动 2017/09 G4FD [LBEADAFC8H**]
 空调线路图 01..现代伊兰特 06 1.8G4GB [.**]

Copyright @ 2009 www.car388.com All rights reserved. 蜀ICP备12014226号-2 增值电信增值业务许可证:川B2-20190647 服务电话:028-87038205 87039205 87020205 川公网安备 51010502010015号 公司地址:成都市龙泉驿区经开区南二路309号 鼎峰动力港 企业办公总部基地 12栋
2025-01-13.-.V25VHTML-2025-