[返回列表.]    [免费下载畅易手机版APP ]

用户 sanhe_zc **当前提问:变速箱电路图

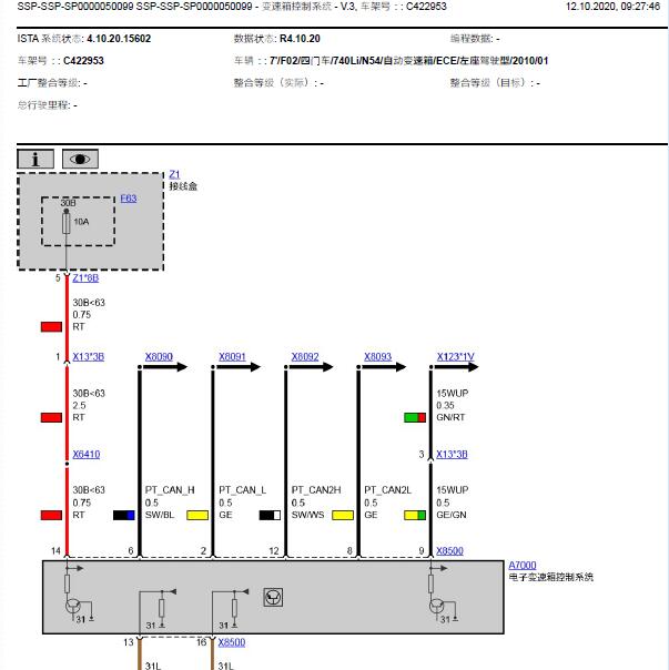
变速箱电路图

.尊敬的用户,欢迎你使用在线客服,你的问题客服人员已为你处理完毕,请下载附件,如有疑问,欢迎和我们联系!.2010年宝马740LI变速箱电路图

附件:61771386742882.rar


用户 sanhe_zc ***其他客服问题:
  变速箱档位开关电路图 .. 别克别克2015-2015[LFMAP8604F** ]
  电脑网络控制图.. 福特蒙迪欧蒙迪欧-蒙迪欧[LVSHBFAF39** ]
  变速箱换油图纸.. 保时捷保时捷2017-保时捷[WP0CA2980H** ]
  涡轮增压器控制图.. 福特翼虎2015-CAF479WQ1[LVSHJCAL4F** ]
  尾门开启开关控制电路图 ?? ( 平台上无09.. 尼桑骐达2009-2009[LGB22E099Y** ]
  1. 前保险丝盒电路图? 2.前部电子控制模块电.. 保时捷帕拉梅啦2004-A07981[WPA0AB2975** ]
以下是宝马相关车型的客服问题,希望对您有帮助
 04年宝马525I报室外温度传感器故障,仪表所有..宝马525I 04 N20B20D [LBV5S1108E**]
 遥控器亏电失效后重新设定s ..宝马E38系 2000-2012
 12年宝马730Li 跑起来总显示引擎盖锁未关..宝马12年宝马730LI 2012年 N52 [LSVUJ65N7C**]
 安全气囊针电脑版脚定义..宝马GT330I 19款 B48B20B [WBA8X910XL**]
 变速箱阀体位置图..宝马汽车JCW Clubman All 42.0T 手自一体 ALL-IN 2023 B48A20E(2.0) [WMWJZ9100N**]
 发动机电脑版针脚图..宝马525li 12 1 [LBVFP3901C**]
 请提供一下这款车的保养灯归零s..宝马540i 2005-2010
 内饰拆装资料..宝马740Li 2022 B58B30P [WBA21EH0XP**]
 宝马X6空调系统电路图..宝马X6 2011.01 N55B30A [WBAFG2017B**]
  汽油滤芯拆装方法 ..宝马宝马X5 2012 N55 [WBAZV4108C**]
 分动箱维修手册..宝马X5 2011 1 [WBAZV4105B**]
 宝马325li全车保险盒资料..宝马325li 2020 b48b20d [LBV6P4105L**]

Copyright @ 2009 www.car388.com All rights reserved. 蜀ICP备12014226号-2 增值电信增值业务许可证:川B2-20190647 服务电话:028-87038205 87039205 87020205 川公网安备 51010502010015号 公司地址:成都市龙泉驿区经开区南二路309号 鼎峰动力港 企业办公总部基地 12栋
2025-05-24.-.V28**VHTML-2025-V18-11-5---2-