[返回列表.]    [免费下载畅易手机版APP ]

用户 大庆 **当前提问:麻烦提供下路虎神行者2的网关位置还

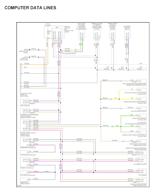
麻烦提供下路虎神行者2的网关位置还有most环电路图 谢谢

.尊敬的用户,欢迎你使用在线客服,你的问题客服人员已为你处理完毕,请下载附件,如有疑问,欢迎和我们联系!10年神行者2数据线路图.

附件:5484208552114.rar


用户 大庆 ***其他客服问题:
  奔驰GLS450汽油泵系统供电电路图.. 奔驰GLS45017年-3.0T[1JGDF6EE5H** ]
  大众夏朗2.0T平衡轴正时点分解图和挂法.. 大众夏朗12年-buzhidao[wvwcr57n6c** ]
  麻烦帮忙查一下喷油嘴和高压油泵的电路图.. 路虎发现42011年-3.0T[SALAN2F41B** ]
  请提供一下发动机电路图 发动机电脑电路图 .. 昌河铃木利亚纳06年-1.6[LUFAC2AD36** ]
以下是路虎相关车型的客服问题,希望对您有帮助
 音响电路图和端子图..路虎汽车Range Rover 48V [揽胜 48V]3.0T 手自一体 L6 传世加长经典版 2021 PT306(3.0) [SALGA3BU3M**]
 路虎揽胜运动版电动踏板电路图..路虎揽胜运动版 2012 xxx
 正时..路虎发现神行 2015款 204DT [SALCA2BN7H**]
 进气支管拆解..路虎揽胜运动版 2015 306ps [SALWA2VF1F**]
 路虎揽胜右后门锁块线路图..路虎揽胜 2014年 AABB [SALGV2EF8E**]
 发动机 - TD4 2.2 升柴油机,资料?s..路虎揽胜极光(L538) 2014
 这款车轮胎螺栓断了,想查下这款车前轮轴承..路虎发现者2柴油版 2012年 2.179 [SALFA2BD4C**]
 您好 麻烦您帮我打印一份2004年路虎揽胜行政..路虎揽胜行政 2004 4.4排量 [SALME11405**]
 我需要PDF格式的电路图,就上一个提问。不管..路虎发现3 07 4.4
 更换路虎极光胎压传感器后,怎么匹配!..路虎极光 13 030713211031204PT [SALVA2BG8D**]
 发动机电脑端子图和车身电脑端子图..路虎神行者2代 2008 B6324S [SALFA24A28**]
 内饰拆装维修手册..路虎汽车Range Rover [揽胜]3.0T 手自一体 V6 SC Vogue 2017 306PS(3.0) [SALGA2FV7H**]

Copyright @ 2009 www.car388.com All rights reserved. 蜀ICP备12014226号-2 增值电信增值业务许可证:川B2-20190647 服务电话:028-87038205 87039205 87020205 川公网安备 51010502010015号 公司地址:成都市龙泉驿区经开区南二路309号 鼎峰动力港 企业办公总部基地 12栋
2025-05-09.-.V28**