[返回列表.]    [免费下载畅易手机版APP ]

用户 wh **当前提问:西门子电脑121针

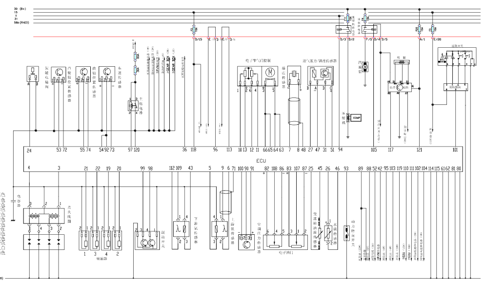
西门子电脑121针

.尊敬的用户,欢迎你使用在线客服,你的问题客服人员已为你处理完毕,请下载附件,如有疑问,欢迎和我们联系!西门子电路图.

附件:3595208799888.rar


用户 wh ***其他客服问题:
  发动机电路图.. 一汽丰田RAV413年11月-6ZR[LFMJ440F6D** ]
  马自达CX4安全气囊线路图.. 0000马自达17-00000[000000** ]
  16年陆风X5Plus1.5TCVT创领版4A91T发动机全车电路.. 江铃陆风X5Plus2016年11月份-4A91T[LVXCAHBAXG** ]
  大灯线路图.. 长安福特蒙迪欧1.52015-6-CAF479WQO[LVSHFFAL3F** ]
  福田发动机电脑端子图 武汉菱电81针.. 福田福田不知-不知[不知** ]
  264发动机电脑供电图.. 北京奔驰c26020-不知[不知** ]
以下是一汽海马相关车型的客服问题,希望对您有帮助
 水温传感器到仪表之间的电路图。..一汽海马海福星1.6 手动 GL 标准版 2007 4G18(1.6) [LH17CKJF48**]
 海马2正时链条对法..一汽海马海马2 2010 4a91s [lh16ckmf2a**]
 海马M8维修手册..一汽海马M8 2014年12月 HM484QE
 海马M5全车电路图..一汽海马M5 2015 HM474Q——C [LH17CKBF8F**]
 海马323冷却风扇电路图..一汽海马323 03 ZM [LH17CKJF53**]
 14年海马m5发动机电脑针脚图没有吗..一汽海马海马m5 2014 hm474q-c [lh17ckbf6e**]
 帮忙找一下海马海福星四带空调全部电路图,..一汽海马海福星四带 2017,12 HM474Q-C [LH17CKBF9H**]
 发动机控制电路图..一汽海马323 2006年 ZM [LH17CKJF76**]
 海马福美来二代 VT2变速箱线路图..一汽海马海马福美来二代 2006 HMC7161B [LH17CKKF76**]
 发动机波箱机械图?..一汽海马普力马 2010.06 hm483q [lh16chhoxl**]
 后雾灯电路图 ..一汽海马海马323 2004 不记的了
 麻烦发一份海马车1.6排量手动挡发动机电脑板..一汽海马福美来 06年 TRITEC1.6L

Copyright @ 2009 www.car388.com All rights reserved. 蜀ICP备12014226号-2 增值电信增值业务许可证:川B2-20190647 服务电话:028-87038205 87039205 87020205 川公网安备 51010502010015号 公司地址:成都市龙泉驿区经开区南二路309号 鼎峰动力港 企业办公总部基地 12栋
1.-.V25VHTML-2025-