[返回列表.]    [免费下载畅易手机版APP ]

用户 xsh1234 **当前提问:江淮瑞风冷却风扇电路

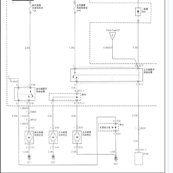
江淮瑞风冷却风扇电路

.尊敬的用户,欢迎你使用在线客服,你的问题客服人员已为你处理完毕,请下载附件,如有疑问,欢迎和我们联系!2015年江淮瑞风 发动机风扇电路图..

附件:51812098904290.rar


用户 xsh1234 ***其他客服问题:
test:
  发动机电路图及发动机电脑板针脚图 电.. 江铃陆风X8柴油车2010年11月-R425 DOHC[LVXCCDKA1A** ]
  三菱劲炫遥控门锁及遥控接收器线路图.. 广汽三菱劲炫2017年11月-4A92[LL66H2F08H** ]
  自动空调线路图.. 广州本田飞度2011年-L15A7[LHGGE8893C** ]
  奔驰R350 空气悬架电路图及元件位置.. 奔驰R3502006年-251 165[4JGCB65E66** ]
  发动机和变速箱线路图.. 一汽马自达32303年2月-FP
以下是江淮相关车型的客服问题,希望对您有帮助
 江淮IEV5诊断OBD针脚定义..江淮IEV5 2015 1 [1**]
 左前门升降器不管用,要一份升降器的电路图..江淮S3 201506 HFC4GB2.3D [LJ12EKR29F**]
 音响娱乐系统线路..江淮S7 2018 1 [LJ166A243J**]
 江淮帅铃T6发动机电控系统电路图..江淮帅铃T6 2015年12月 HFC4DA1-2C [LJ11PABCXF**]
 柴油喷嘴电路图..江淮皮卡 2018年1月 HFC4DB2-1D1 [LJ11PABDXJ**]
  电脑板针脚定义..江淮! ! ! [!**]
 要仪表电路图 ..江淮瑞风 07 mpv
 帅铃T6 2020年电路图,维修手册..江淮帅铃T6 2020 HPC4DB2-1D1 [LJ11PABD0L**]
 2007年江淮瑞风2.4自动 空调泵控制电路图..江淮07年2.4自动瑞风 2007 G4JS [LJ16AA23X7**]
 汽车车身维修资料 最主要是右前侧..江淮HFC6500A1C808江淮瑞风 2008 83001651
 14年江淮和悦A13电路图 ..江淮汽车A13RS 14年 03478755
 有17年的江淮瑞风M5全车电路图吗,急用,在..江淮M5 2017 1 [1**]

Copyright @ 2009 www.car388.com All rights reserved. 蜀ICP备12014226号-2 增值电信增值业务许可证:川B2-20190647 服务电话:028-87038205 87039205 87020205 川公网安备 51010502010015号 公司地址:成都市龙泉驿区经开区南二路309号 鼎峰动力港 企业办公总部基地 12栋
2025-01-13.-.V25VHTML-2025-