[返回列表.]    [免费下载畅易手机版APP ]

用户 boschli **当前提问:室内后视镜电路图

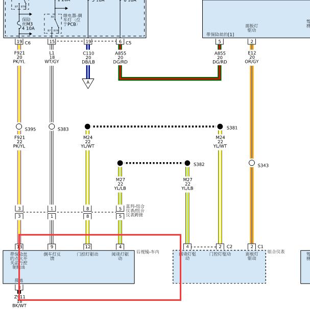
室内后视镜电路图

.尊敬的用户,欢迎你使用在线客服,你的问题客服人员已为你处理完毕,请下载附件,如有疑问,欢迎和我们联系!2016年JEEP牧马人(Wrangler)电路图-后视镜.

附件:13872110948382.rar

已评价:5星好评

已评价:5星好评

已评价:5星好评

.尊敬的用户,欢迎你使用在线客服,你需要的资料在《畅易汽车维修技术支持平台》是有的,请直接登陆查询!查询方法:国外厂家 -> Jeep(吉普)-Wrangler(牧马人)-2014-2017[ 线路图 ] ->后视镜.2014-2017年Jeep(吉普)-Wrangler(牧马人)后视镜电路图


用户 boschli ***其他客服问题:
test:
  ABS电路图.. 辛集顺航维修奔驰E2002007-engine type 271956[LE4FTM8Y97** ]
  帮查下空调电路图,自动变速箱的车.. 上汽大通V802013-SC25R136.1Q5[LSKG4GC11J** ]
  发动机正时.. 吉利星瑞20-1[L6T7854Z0L** ]
  点烟器线路图.. 沃尔沃XC602014-B4204T7[YV1DZ4756E** ]
  仪表电路图.. 江淮同悦2013-HFC4GB1,3C[LT2FKR21D4** ]
  中央门锁线路图.. 长安CS752019-JL476ZQCF[LS4ASE2EXK** ]
以下是克莱斯勒相关车型的客服问题,希望对您有帮助
 克莱斯勒铂锐维修手册..克莱斯勒BJ7240J 2008 87014555 [LE4FG65R78**]
 钥匙接收模块在哪..克莱斯勒300C 2013 G [2C3CCACG1E**]
 空调面板针脚图..克莱斯勒Patriot [自由客]2.4 手自一体 四驱蛇行珍藏版 2014 B(2.4) [1C4NJRAB1E**]
 发动机电路图发一下..克莱斯勒牧马人 10款 3,8L
 请问,克莱斯勒铂锐2008款车型的空气滤清器..克莱斯勒铂锐克莱斯勒铂锐 2008 00
 发动机控制部分电路图..克莱斯勒大捷龙 04 143585 [1C8GYB4R84**]
 喇叭继电器电路图和位置..克莱斯勒漫步者漫步者 2007年 2.4 [1A8FYB8B58**]
 变速器电路图..克莱斯勒大捷龙 1997年
 麻烦帮我找下道奇酷威2.7L发动机的维修手册..克莱斯勒酷威 2010 D [3D4PG6FD3A**]
 12年大切发电机电路图..克莱斯勒大切 12 G,3,6 [1C4RJFBG3C**]
 吉普大切 燃油泵控制电路图 保险丝继电器分..克莱斯勒大切诺基3.0 2014 8 [1C4RJFB88E**]
 吉普柴油2.8T资料..克莱斯勒吉普 2015 5 [1C4BJWE55F**]

Copyright @ 2009 www.car388.com All rights reserved. 蜀ICP备12014226号-2 增值电信增值业务许可证:川B2-20190647 服务电话:028-87038205 87039205 87020205 川公网安备 51010502010015号 公司地址:成都市龙泉驿区经开区南二路309号 鼎峰动力港 企业办公总部基地 12栋
2025-01-13.-.V25VHTML-2025-