[返回列表.]    [免费下载畅易手机版APP ]

用户 0112233 **当前提问:油位针电路图

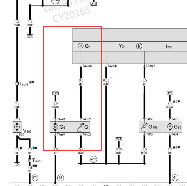
油位针电路图

.尊敬的用户,欢迎你使用在线客服,你需要的资料在《畅易汽车维修技术支持平台》是有的,请直接登陆查询!查询方法:国内厂家 ->Audi(奥迪)-Q7-2009-2010[ 线路图 ] ->3.01 TDI共轨发动机( 176k:W-6缸/155KW-6缸),发动机标识字母CASA,CCMACASB.自2007年9月起 ->页18:组合仪表中的控制器,辅助燃油泵维电器、燃油泵控制器,燃油存里表传感器.2010年奥迪Q7 发动机燃油存量传感器电路图


用户 0112233 ***其他客服问题:
  17款吉利帝豪OBD诊断插头电路图不对,请问还.. 吉利汽车 帝豪2017- JLγ-4G15 [L6T7824Z0H** ]
  91和105插头的的发动机针脚和线路图.. 现代飞思2012-G4FJ[KMHTC61E8D** ]
  ABS轮速传感器电路图.. 大众朗行2014-暂无[暂无** ]
  高压油泵的拆卸和安装.. 保时捷卡宴2007-M5501[WP1AA29P88** ]
  急..找X8悬挂系统维修手册?.. 江铃汽车X82008-
  发动机舱保险丝盒示意图.. 长城 哈弗H62011- GW4D20 [LGWEFEA55C** ]
以下是奥迪相关车型的客服问题,希望对您有帮助
 气门弹簧长短不一样怎样分进排气..奥迪Q5 2015 CUH [LFV3B28R5F**]
 火花塞扭力,发邮箱15104707744@126.com..奥迪S7 2013 CEU [WAUS2D4G2E**]
 奥迪S6发动机正时图..奥迪S6 12 2.0T [LFV3A24F6C**]
 敞篷电路图..奥迪A4 2004 1 [WAUAC48H64**]
 4线水温传感器电路图..奥迪A6L 2001 2.4 [LFVBA24B71**]
 奥迪a6l方向机电路图资料没看着..奥迪a6l 2012 clx
 奥迪A6 保险盒+鼓风机电路图..奥迪A6 02年 1234
 空调管路拓扑图..奥迪A6L 2019 DKU [LFV3A24K9K**]
 奥迪A8L 15款方向灯亮起 没有助力..奥迪A8L奥迪A8L 15年11月 CRE [WAUYGB4H1G**]
 08年 奥迪A6 空调线路图..奥迪A6L 08 BDW [LFV4A24F28**]
 马达继电器位置..奥迪A6L奥迪A6L 2019-05-17 DKU 2.0T [LFV3A24K3K**]
 胎压监测控制模块在什么位置..奥迪Q7 07 11 [wA1BY74L68**]

Copyright @ 2009 www.car388.com All rights reserved. 蜀ICP备12014226号-2 增值电信增值业务许可证:川B2-20190647 服务电话:028-87038205 87039205 87020205 川公网安备 51010502010015号 公司地址:成都市龙泉驿区经开区南二路309号 鼎峰动力港 企业办公总部基地 12栋
2025-05-24.-.V28**VHTML-2025-V18-11-5---2-