[返回列表.]    [免费下载畅易手机版APP ]

用户 13758439 **当前提问:21年吉利远景X3CVT系统线路图以及维修

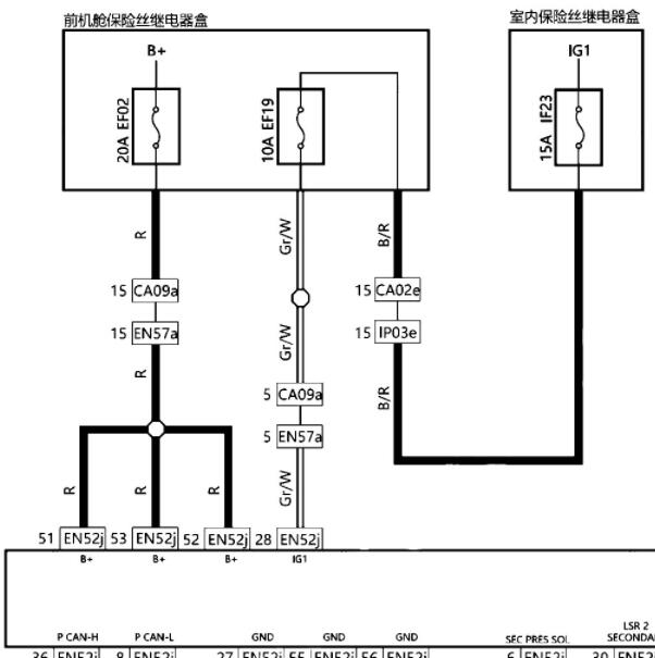
21年吉利远景X3CVT系统线路图以及维修手册

.尊敬的用户,欢迎你使用在线客服,非常抱歉,没有2021年的远景X3变速箱维修资料,客服给你查找了电路图,你的问题客服人员已为你处理完毕,请下载附件,如有疑问,欢迎和我们联系!.2021年吉利远景X3 变速箱电路图

附件:62692126898955.rar


用户 13758439 ***其他客服问题:
test:
  北汽幻速电路图2014年.. 北汽幻速S32014-BJ415B[LNBMDLAA6E** ]
  克莱斯勒 PT漫步者2007年,仪表线路图 ,多功.. 克莱斯勒PT漫步者2007-123
  2014年 长安之星7 发动机通讯线路图 或者找一.. 长安汽车长安之星72014-JL473Q3[LS4ASB3R1E** ]
  帮我找下路虎模块位置图.还有故障码U201B-56的.. 路虎揽胜运动2015 11-柴油[SALWA2FF6G** ]
  老师,您好帮我发下众泰芝麻E30保险丝继电器.. 众泰众泰芝麻E302017年6月-DWS-YXQ-144-13.5B[LJ8E3A1M1H** ]
  帮我找下奇瑞路虎发现倒车镜折叠和前门车门.. 奇瑞路虎发现2016 11-204PT[L2CCA2BG9G** ]
以下是吉利相关车型的客服问题,希望对您有帮助
 MT80 发动机电脑端子图..吉利远景 04 北4G15D [LB37824S4B**]
 动力电池的具体电压容量等信息..吉利汽车帝豪EV-三厢帝豪EV 进取型 2016 TM5028(电动机)(电动) [L6T78Y4W5G**]
 电路图..吉利EC715 2012 GL4G15D
 气门间隙..吉利英伦金鹰 2008 MR479QA [LB37422S2B**]
 吉利帝豪EV450或者EV500动力电池的维修手册,..吉利EV450 / EV500 2018-2019 电动车
 自动挡变速箱油加注口位置..吉利汽车远景X31.5 无级 精英型 2020 JLγ-4G15(1.5) [LB37522Z8M**]
 吉利远景X6气囊电脑端子图..吉利远景X6 2017 未知
 进气压力传感器电路图,空调电路图..吉利远景X3 2017 JLB-4G15 [LB37522ZXJ**]
 排气系统维修资料,维修手册s..吉利帝豪EC8 2010 4G69
 车身电脑图纸..吉利GSsuv 2019 1.4T [LB37722Z5K**]
 吉利博越pro刹车踏板传感器电路图..吉利博越pro 2020 4G18T [L6T7742Z4L**]
 为什么吉利缤越的车架号查不了?..吉利缤越 2020 JLB一4G14TB [LB37622Z4L**]

Copyright @ 2009 www.car388.com All rights reserved. 蜀ICP备12014226号-2 增值电信增值业务许可证:川B2-20190647 服务电话:028-87038205 87039205 87020205 川公网安备 51010502010015号 公司地址:成都市龙泉驿区经开区南二路309号 鼎峰动力港 企业办公总部基地 12栋
2025-01-13.-.V25VHTML-2025-V18-11-5---2-