[返回列表.]    [免费下载畅易手机版APP ]

用户 亚洲 **当前提问:需提供12+16+26柴油发动机电脑端子图,

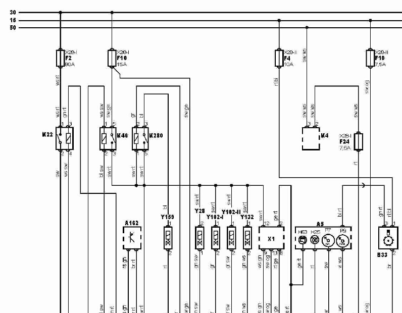
需提供12+16+26柴油发动机电脑端子图,注:上次提供的是16+22+26此款应是自动变速器的,本人需要的是手动变速器的那种。

.尊敬的用户用户您好,客服只查找到了1KZ-TE同款发动机电路图,请您参考一下,给您带来不便敬请谅解!1KZ-TE发动机电路图.

附件:5636213246754.rar


用户 亚洲 ***其他客服问题:
  提供该车型自动变速器资料.. 东风日产QASHQAI2011-MR20
  发动机电脑控制电路图.. 海马福美莱2007-TRITEC
  求电动车窗与灯光部分电路图.. 中华尊驰2006-4G63S4M
  发动机电路图、中央门锁电路图.. 一汽奥迪A6(2.5L柴油)2005-BND[LFV5A44B65** ]
  提供该车速表电路图.. 东风小康K072002-BG[LGKG32G76B** ]
  发动机电脑端子图和电路图,注此车为自动变.. 东风悦达起亚赛拉图YQ27162A2005-G4ED[LJDDAA2950** ]
以下是丰田相关车型的客服问题,希望对您有帮助
 丰田阿尔法车内 车顶维修手册..丰田阿尔法 2019年3月 2GR [JTNGZ3DHXK**]
 给我一份变速箱电脑 到阀体插头的针脚定义 ..丰田汉兰达 2009 ... [..........**]
 主副油箱是怎样切换的 电路图 维修手册..丰田4500 2001 1FZ-FE排量4.5 [JTENJ09J21**]
 C1568故障代码诊断流程,方向机电路图..丰田汽车RX400h3.3 无级 2007 3MZ-FE(3.3) [JTJHW31U47**]
 丰田兰德酷路泽无线钥匙接收器在哪..丰田兰德酷路泽 2010 1GR-FE [JTMHU09J3B**]
 这个车的左中门电控的电路图..丰田普瑞维亚 2003 1 [JTEGD34M90**]
 陆地巡洋舰仪表线路图..丰田陆地巡洋舰 2002 1FZ-FE [JTEHJ09J12**]
 丰田埃尔法音响电路图,平台上的不对,电视..丰田GGH20L--PFTQK2 2012-4 2GR [JTEGS21H3C**]
 胎压系统维修手册和电路图。前机盖弹起系统..丰田皇冠 201707 8AR [LFMB0ABB1H**]
 C0226 C0236 C0246故障码资料 01..丰田普拉多 10 . [。**]
 20年汉兰达刹车开关7线的,平台都是5线的。..丰田汉兰达 2019年12月 8AR [LVGEN56A6K**]
 仪表电路图..丰田坦途 2011 1 [5TFRV54167**]

Copyright @ 2009 www.car388.com All rights reserved. 蜀ICP备12014226号-2 增值电信增值业务许可证:川B2-20190647 服务电话:028-87038205 87039205 87020205 川公网安备 51010502010015号 公司地址:成都市龙泉驿区经开区南二路309号 鼎峰动力港 企业办公总部基地 12栋
1.-.V25VHTML-2025-V18-11-5---2-