[返回列表.]    [免费下载畅易手机版APP ]

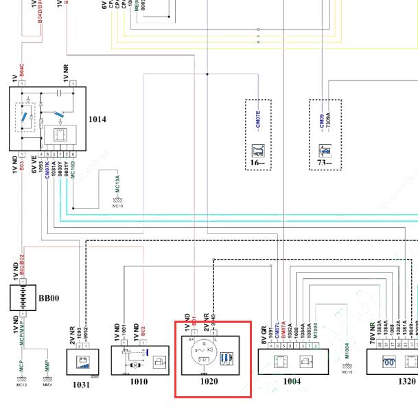
用户 19915021 **当前提问:找下这个车的发电机lin线电路图

找下这个车的发电机lin线电路图

.尊敬的用户,欢迎你使用在线客服,非常抱歉,没有2021年的标致3008资料,客服给您查找了2019年的电路图作为参考,如有需要,请下载附件,如有疑问,欢迎和我们联系!2019年标致3008 发电机电路图.

附件:78382137579803.rar


用户 19915021 ***其他客服问题:
  网关安装位置么.. 进口大众高尔夫2011-1[WVWZZZ1KZC** ]
  主驾驶电动座椅的电路图和还有保险丝位置.. 奥迪 A3 2017- CHZ [WAUZZZ8V0J** ]
  大灯的电路图 和保险丝.. 奔驰S 500 L 1-1[W1K2231632** ]
  查一下这个车正时链条是怎么装的.. 宝马M52013-1[WBSFV92020** ]
  活塞和连杆是怎么安装的 .. 宝马M52010-1[WBSFV92020** ]
以下是标志相关车型的客服问题,希望对您有帮助
 标志206电脑插针线路图..标志206 06 me745 [o8**]
 倒车雷达线路图..标志307307 2010 1.6 [LDC933L27A**]
 碳罐排放电磁阀控制电路开路 涡轮调节电磁..标志标志308 09年 5FT [VF34H5FT98**]
 15年标志301,仪表系统电路图..标志301 15 NFP [LDC633T24F**]
 自动挡的车 倒车灯电路图 平台上面的倒车灯..标志307307 06 N6A [1111111111**]
 涡轮排气电磁阀故障和涡轮增压压力过小。是..标志3008 12年
 12年标致 308cc 发动机电路图 维修手册..标志308cc 12年 1.6 [VF34B5FM4C**]
 标志308报故障代码:P0011进气凸轮轴位置错误:..标志DC7165LSEA 2016年8月 NFP [LDC953T30G**]
 气囊系统电路图..标志 308 2012 N6A 10XA3A PSA [LDC953L36C**]
 发动机大修拆装和螺丝扭矩..标致3008 2019 10UF01 5G02 [ LDCT81249**]
 标志607 4缸发动机 的进气歧管压力传感器 节..标志607 2003-6-16 PSA3FZ10LJ030614539 [VF39D3FZE2**]
 前痒传感器电路图..标志3008 13 10FJBZ pSA5F06 [LDCT81141D**]

Copyright @ 2009 www.car388.com All rights reserved. 蜀ICP备12014226号-2 增值电信增值业务许可证:川B2-20190647 服务电话:028-87038205 87039205 87020205 川公网安备 51010502010015号 公司地址:成都市龙泉驿区经开区南二路309号 鼎峰动力港 企业办公总部基地 12栋
2025-04-24.-.V25