[返回列表.]    [免费下载畅易手机版APP ]

用户 mazengxi **当前提问:车速表电路图

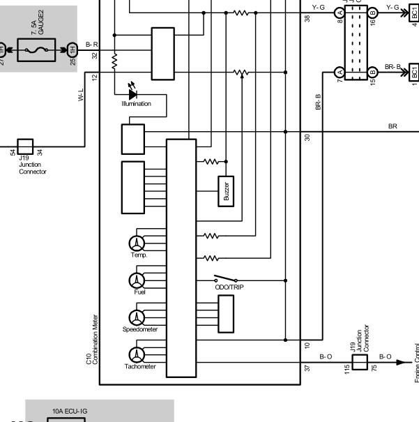
车速表电路图

.尊敬的用户,欢迎你使用在线客服,抱歉,没有04年的大霸王,客服给您查找了05年的电路图,你的问题客服人员已为你处理完毕,请下载附件,如有疑问,欢迎和我们联系!.2005年丰田大霸王 仪表车速表电路图

附件:39712155564501.rar


用户 mazengxi ***其他客服问题:
test:
  全车电路图,发动机电路图,仪表电路图.. 丰田普拉多27002005-04-2TR[JTEBL29J95** ]
  福田萨普柴油皮卡 P1643故障码含义.. 福田牌萨普2015-BJ493ZLQ4[LVAV2MBB2F** ]
  14年丰田塞纳 3.5排量的发动机电路图.. 丰田塞纳2014-2GR[5TDDK3DC2E** ]
  二次空气泵的电路图.. 丰田普拉多2008-2TR-FE[JTEBL29J58** ]
  英菲尼迪FX35全车电路图.. INFINITI英菲尼迪FX3510年2月-VQ35[JNKAS15F19** ]
  10年长安志翔玻璃升降器电路图.. 长安志翔2010-JL475QG[LS5A2AB2AA** ]
以下是丰田相关车型的客服问题,希望对您有帮助
 保险丝位置图和发动机电路图下载的,。..丰田 F - 丰田 RAV4-一汽丰田 2.0L 2010 2010款 2.0L 自动 豪华升级版 2010 2.0L [ LFMKV30F1**]
 帮我找一下2009年丰田4700ABS VSC线路图..丰田4700 2009 2UZ [LFMGLK7439**]
 车窗维修手册和电路图01SS..丰田 普拉多 2013 2.7L 2TR-FE [JTEBX3FJ4D**]
 丰田卡罗拉自动落锁功能怎么设置..丰田卡罗拉 2011年10 1ZR [LFMAPE2C1B**]
 您好!麻烦帮我查下丰田发动机大修螺栓扭矩..丰田普拉多 2012 2TR [JTEBX3FJ1C**]
 07年霸道4000空调面板端子图..丰田普拉多 2007 1Gr [J**]
 车身电脑版安装位置及大灯电路图..丰田雷凌 2021.11 8ZR [LVGB4B9E1M**]
 丰田RAV4 变速箱电路图..丰田RAV4 2002 1AZ-FE [JTEHH20VX0**]
 这个车的气囊系统电路图我查12-14款不一样,..丰田汉兰达 2013.12 1 [LVGDC46A2D**]
 油泵 油浮子 线路..丰田威驰 2012 2NZ 1.3L [LFMAU92A4C**]
 13年酷路泽音响电路图还有部件安装位置图..丰田酷路泽 13 1UR [LFMG2K74XD**]
 发动机电路图仪表电路图..丰田雅士利 2013年07月 1ZR [LVGCU9233D**]

Copyright @ 2009 www.car388.com All rights reserved. 蜀ICP备12014226号-2 增值电信增值业务许可证:川B2-20190647 服务电话:028-87038205 87039205 87020205 川公网安备 51010502010015号 公司地址:成都市龙泉驿区经开区南二路309号 鼎峰动力港 企业办公总部基地 12栋
2025-01-13.-.V25VHTML-2025-V18-11-5---2-