[返回列表.]    [免费下载畅易手机版APP ]

用户 xiewenbi **当前提问:这车转向灯线路图,平台上找的和实

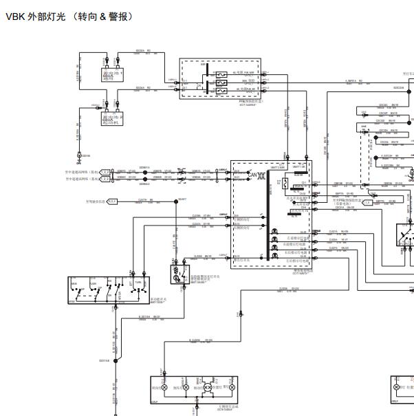
这车转向灯线路图,平台上找的和实车对不上,实车不带控制模块

.尊敬的用户,欢迎你使用在线客服,非常抱歉,客服查找了15-18年的全顺转向灯电路图都是一样,客服给您查找了2013-2014年的电路图作为参考,请下载附件,如有疑问,欢迎和我们联系!2013-2014年江铃全顺 转向灯电路图.

附件:80862160092276.rar


用户 xiewenbi ***其他客服问题:
  波箱线束针脚图有吗.. 大众帕萨特2014-1.8[LSVCZ6A43F** ]
  标致206的门升降机电路图找不到.. 神龙汽车2061.6 手自一体 XT2006-N6A 10XA3A PSA(1.6)[LDC611L316** ]
  博世电脑针脚图32针脚BOSCH.F 01R 00D 159 ECU-189-08 .. 昌河福瑞达1.1LCH6390E2009.03-DA465QE-1A[LKCAA1AC39** ]
  宝马530ⅰ正时图.. 宝马530ⅰ2005年-306S3[LBVNA79084** ]
  13年宝马X6保險盒位置图有嗎.. 宝马X62013-1[WBAFG2101D** ]
  这车正时图.. 宝马530i2004-1[LBVNA79084** ]
以下是江铃相关车型的客服问题,希望对您有帮助
 车窗防夹模块安装位置还有电路图..江铃汽车领界S1.5T 无级 EcoBoost 145 尊领型 2020 JX4G15C6L(1.5) [LJXCU2BB4M**]
 陆风x5手动挡 防盗系统电路图 他的发动机..江铃汽车陆风X5 2015;05 4A91T [1**]
 江铃福特领界发动机线路图..江铃福特领界 2019 1.5
 驾驶室保险盒电源分配详图..江铃福特经典全顺 2015.01 JX493ZLQ4 [LJXCMCCB9F**]
 手动两驱变速器NC05-4X2分解过程..江铃皮卡江铃宝典 12 JX493ZQ5C [LEFADCD17C**]
 大灯电路图..江铃驭胜 2012 柴油
 江铃宝典柴油皮卡预热控制器DI角怎么检测..江铃宝典 10
 15年江铃宝典发动机电脑针脚定义..江铃江铃宝典 15年 4G69S4N
 江铃顺达德尔福柴油发送机电路图..江铃LX1041TSG23江铃顺达 20100409 A2019529 [LEFAFCG22A**]
 请给我一张正时图..江铃宝威 2012 JX493ZQ5A [LEFDJCDC9C**]
 帮我查下这款车无钥匙启动进入(PEPS)模块..江铃福特领界 2019 1 [LJXCU2BB7K**]
 车气囊电路图..江铃域虎 2016 JX4D24A4L [LEFEDDE1XG**]

Copyright @ 2009 www.car388.com All rights reserved. 蜀ICP备12014226号-2 增值电信增值业务许可证:川B2-20190647 服务电话:028-87038205 87039205 87020205 川公网安备 51010502010015号 公司地址:成都市龙泉驿区经开区南二路309号 鼎峰动力港 企业办公总部基地 12栋
2025-05-23.-.V28**VHTML-2025-V18-11-5---2-