[返回列表.]    [免费下载畅易手机版APP ]

用户 18974513 **当前提问:空调面板的电路图

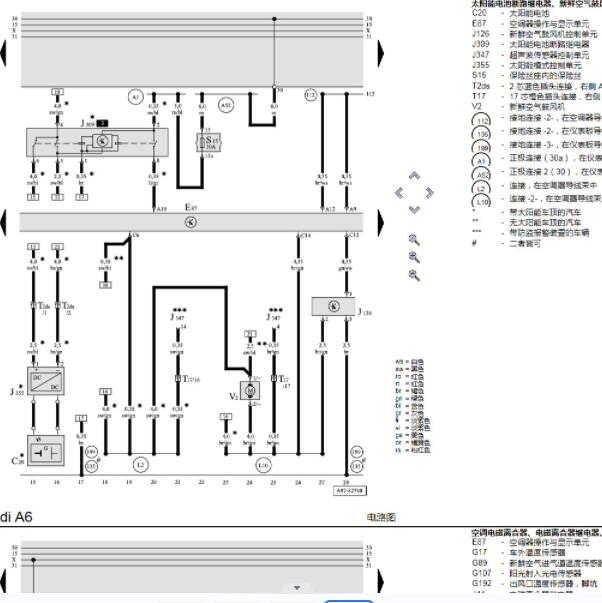
空调面板的电路图

.尊敬的用户,欢迎你使用在线客服,你的问题客服人员已为你处理完毕,请下载附件,如有疑问,欢迎和我们联系!.2013年西雅特伊比萨 空调电路图

附件:66452160993045.rar


用户 18974513 ***其他客服问题:
  变速箱挡位开关线路图.. 丰田锐志2013-5GR-FE[LFMBEC4D9D** ]
以下是西雅特相关车型的客服问题,希望对您有帮助
 大灯电路图..西雅特LEON 2012 CCZ [VSSFL51P3C**]
 我需要遥控防盗的匹配资料s..西雅特Exeo 2.0TSi(BWE) 2009-2011
 遥控防盗匹配s..西雅特Toledo 1.4(BXW) 2004-2009
 帮我查下西雅特玻璃升降器电路图..西雅特列昂 2013 CCZ [VSSFL51P6C**]
 方向盘喇叭电路图..西雅特Leon 2012 CCZ [VSSFL51P9C**]
 遥控防盗的设置s..西雅特Toled0 1.8TSi(BZB) 2007-2009
 西雅特点烟器保险丝位置..西雅特西雅特 2012年 Ccz [VSSFL51PXC**]
 13年大众西雅特伊比飒的右前近光灯路图..西雅特伊比飒 2013年 CAVF [VSSBD66JXD**]
 遥控防盗的匹配资料s..西雅特Exeo 1.8Turbo(CFHA) 2009-2011
 尾灯 刹车灯 驻车灯 电路图..西雅特LEON 2012 CDA [VSSCJ51P7C**]
 西亚特伊比萨门板拆卸..西亚特伊比萨 2013 CAVF [VSSTD66J2D**]
 全车电路..西雅特西雅特 2013 大众 [VSSFL51P9C**]

Copyright @ 2009 www.car388.com All rights reserved. 蜀ICP备12014226号-2 增值电信增值业务许可证:川B2-20190647 服务电话:028-87038205 87039205 87020205 川公网安备 51010502010015号 公司地址:成都市龙泉驿区经开区南二路309号 鼎峰动力港 企业办公总部基地 12栋
2025-05-22.-.V28**VHTML-2025-V18-11-5---2-