[返回列表.]    [免费下载畅易手机版APP ]

用户 13841631 **当前提问:四驱电脑版针脚图

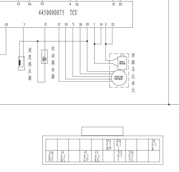
四驱电脑版针脚图

.尊敬的用户,欢迎你使用在线客服,你的问题客服人员已为你处理完毕,请下载附件,如有疑问,欢迎和我们联系!.2010年长城哈弗H3四驱针脚图

附件:39762167962036.zip


用户 13841631 ***其他客服问题:
test:
  防盗电脑针脚定义.. 现代伊兰特悦动2011- G4FC [LBEHDAFB6C** ]
  气囊定义图.. 得意依维柯2015-暂无[暂无** ]
  变速箱电脑针脚图.. 猎豹CS102015- 4G63S4T [LN86GCBF1F** ]
  油泵模块针脚定义.. 雪佛兰乐风2010.9-1[LSGTB54M6A** ]
  16年依维柯车身电脑电路图.. 依维柯依维柯16-1[1** ]
  机油加多少.. 奥迪Q72013-3.0[WAUAGD4L9D** ]
以下是长城相关车型的客服问题,希望对您有帮助
 防盗控制盒位置图..长城哈佛H6 2011 4G63S4M [LGWEF3A50B**]
 13年长城哈弗H6电器维修手册..长城哈弗H6 13年12月 GW4G15B [LGWEF4A56D**]
 哈弗H6柴油机维修手册..长城汽车哈弗H6 2012年 GW4D20 [LGWEFEA54C**]
 更换VCU和多媒体主机的步骤..长城芭蕾猫 2023 1 [1**]
 长城M2进气压力传感器电路图供电电压..长城M2 2011 GW4G15 [LGWEE2A48B**]
 中控控制盒在什么位置..长城哈弗cuv 2011 GW2.5TCI [LGWEFCA59B**]
 长城腾翼C30车身下边漏油什么原因,急需..长城腾翼C30 2011 GW4G15 [LGWEE2K52B**]
 长城哈佛H5所有大灯不亮..长城三厢车 2010.11.2 4G63S4M [LGWEF3A52A**]
 长城M4空调压缩机 空调压力传感器电路图..长城M4 2012 GW4G15 [LGWBD2A3XC**]
 发动机的废气阀在什么位置,维修图纸..长城哈弗H6 Coupe 2016 4G15B [无**]
 德尔福MT20U2电脑端子图..长城赛酷皮卡 2008 10 25 491QE
 长城h5.10年的中控门锁线路图..长城h5 10 55 [55**]

Copyright @ 2009 www.car388.com All rights reserved. 蜀ICP备12014226号-2 增值电信增值业务许可证:川B2-20190647 服务电话:028-87038205 87039205 87020205 川公网安备 51010502010015号 公司地址:成都市龙泉驿区经开区南二路309号 鼎峰动力港 企业办公总部基地 12栋
2025-01-13.-.V25VHTML-2025-V18-11-5---2-