[返回列表.]    [免费下载畅易手机版APP ]

用户 修车 **当前提问:档位开关电路图

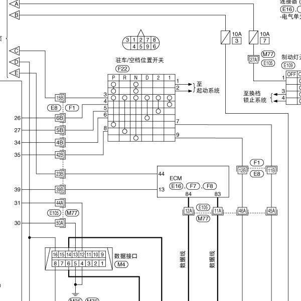
档位开关电路图

.尊敬的用户,欢迎你使用在线客服,你的问题客服人员已为你处理完毕,请下载附件,如有疑问,欢迎和我们联系!.日产骊威变速箱档位开关电路图

附件:66902168356196.zip


用户 修车 ***其他客服问题:
  ABS电路图.. 广汽吉奥G52012-2.0
  空调系统电路图.. 道奇酷威2012-2.360
  车身模块电路图.. 日产骐达2007-1.6
  朗逸气囊电脑针脚图.. 上海大众朗逸2011-1.4
  发动机电路图.. 领克012018-2.0
  变速箱电路图.. 宝马MINI2011-1.6[WMWZC5106C** ]
以下是日产相关车型的客服问题,希望对您有帮助
 倒车雷达电路图,和倒车雷达电脑版安装位置..日产途乐 2016 4.0 [JN8BY2NY0H**]
 日产加速踏板释放位置学习设置..日产TEANA(新天籁) 全部年份 全系列 [全系列**]
 17款逍客的电路图(保险丝位置)..日产逍客 2017 2.0L
 手刹指示灯电路图、手刹开关电路图..日产骐达 2009 1 [LGBG22E089**]
 22年日产轩逸发动机电脑针脚图..日产轩逸 21-22 HR16DE [LGBH52E09N**]
 请发风度的时规链条图~!..日产风度 99 V32
 防盗和起动机线路..日产轩逸 2020 1 [LGBH92E00L**]
 低压燃油压力是多少..日产启辰T70 2016 1 [1**]
 气囊右侧卫星传感器针脚..日产天籁 2011 VQ25DE [LGBF1DE0XA**]
 发动机电脑变速箱电脑针脚图,变速箱电脑位..日产轩逸 2012 HR16 [LGBH12E06F**]
 倒车影像模块在哪个位置..日产天籁 2009 VQ25DE [LGBF1DE09A**]
 BOSE功放电路图..日产天籁 2008 1 [1**]

Copyright @ 2009 www.car388.com All rights reserved. 蜀ICP备12014226号-2 增值电信增值业务许可证:川B2-20190647 服务电话:028-87038205 87039205 87020205 川公网安备 51010502010015号 公司地址:成都市龙泉驿区经开区南二路309号 鼎峰动力港 企业办公总部基地 12栋
2025-05-10.-.V28**