[返回列表.]    [免费下载畅易手机版APP ]

用户 LIDENGFA **当前提问:ABS电路图

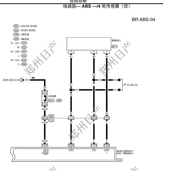
ABS电路图

.尊敬的用户,欢迎你使用在线客服,抱歉资料库里2007年奥丁只有维修手册没有电路图且没有制动系统部分资料,2007年奥丁手册有注明未涉及部分可参照D22和帕拉丁对应资料,客服为您处理了帕拉丁和D22的ABS电路图参考,你的问题客服人员已为你处理完毕,请下载附件,给您带来不便,请谅解!2007年郑州日产帕拉丁ABS电路图.

附件:6098639477035.rar

怎么下载不了呢?

.尊敬的用户,欢迎你使用在线客服,客服重新给您上传了资料,如还是不能下载,请您联系专职客服给您远程打开资料,你的问题客服人员已为你处理完毕,请下载附件,如有疑问,欢迎和我们联系!.

附件:27452169903796.rar


用户 LIDENGFA ***其他客服问题:
test:
  20款观致7保养灯手工归零.. 观致汽车观致720年9月份-CE18[LLNCZASC6L** ]
  气动减震系统线路图.. 奔驰汽车S 350 L3.5 手自一体2005-272 965(3.5)[WDDNG56X06** ]
  凸轮轴机械图,正时.. 丰田汉兰达13-3AR[LVGDC46A1D** ]
  网络拓扑图.. 奔驰S4002011年-272 946[WDDNG9F** ]
  车身电脑线路图,大灯线路图,仪表线路图.. 丰田汽车Land Cruiser [兰德酷路泽]4.5 手动1998-1FZ-FE(4.5)[JTEHJ09J12** ]
  JE4D25Q5A发动机维修手册.. 蓝箭皮卡T340T34019年10月-JE4D25Q5A[LFNB34CB8K** ]
以下是郑州日产相关车型的客服问题,希望对您有帮助
 郑州日产NV200智能钥匙匹配方法..郑州日产NV200 忘了 忘了 [忘了**]
 发动机电脑板供电系统电里图..郑州日产NP300 2012.4 KA24 [LJNMFEBGXC**]
 发动机正时..郑州日产锐骐 2009 Z025TCR [LJNMFE2X19**]
 四驱电路,维修手册..郑州日产锐骐皮卡3.0T 手动 四驱标准型 2007 CYQD80-E3(3.0) [LJNTGUBSX8**]
 正时怎么对..郑州日产NT400 11 D1000205 [LJN0JA52XD**]
 发动机电路图..郑州日产D22 2011 KA24 [LJNTGUBG8B**]
 07年郑州日产锐骐皮卡四驱模块电路图..郑州日产锐骐 2007 QD32T [LJNTGUBS77**]
 KA24发动机正时链条安装图..郑州日产皮卡 KA24
 有没有这车的发动机电脑版针脚图..郑州日产NT400 2013 ZD30D13-4N [LJN0JA527D**]
 19尼桑纳瓦拉启动系统电路图..郑州日产纳瓦拉 2019 QR25 [LJNTGUCY5K**]
 大修数据..郑州日产帕拉丁 08 ka24 [lJNTFE2G48**]
 轮速线路图..郑州日产御轩 10 PSARFN1OLH3X [LJNMEV1G8A**]

Copyright @ 2009 www.car388.com All rights reserved. 蜀ICP备12014226号-2 增值电信增值业务许可证:川B2-20190647 服务电话:028-87038205 87039205 87020205 川公网安备 51010502010015号 公司地址:成都市龙泉驿区经开区南二路309号 鼎峰动力港 企业办公总部基地 12栋
2025-01-13.-.V25VHTML-2025-