[返回列表.]    [免费下载畅易手机版APP ]

用户 13016955 **当前提问:15年东风小康K01电路图油吗?

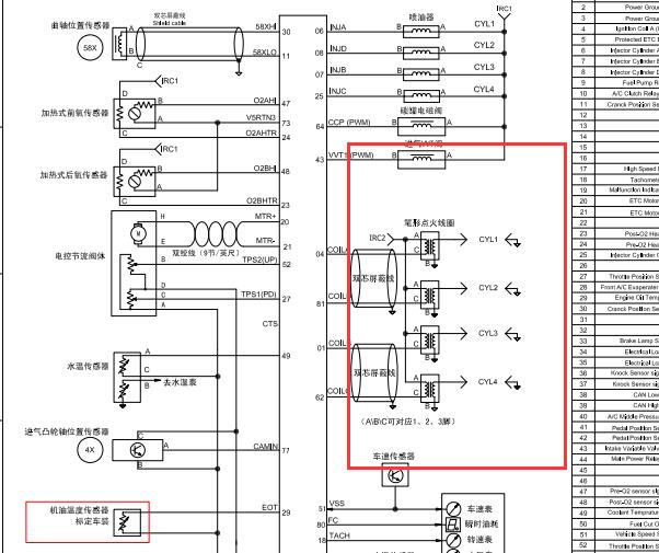
15年东风小康K01电路图油吗?

这个怎么样了

需要点火系统相关电路图,谢谢

.尊敬的用户,欢迎你使用在线客服,你的问题客服人员已为你处理完毕,请下载附件,如有疑问,欢迎和我们联系!.东风DK10-05发动机电路图

附件:41232173682503.rar


用户 13016955 ***其他客服问题:
  宝迪ABS电路图.. 依维柯宝迪15年的-3.0TD[ LNPHBUAG9** ]
  新圣达菲1.5T发动机,起动系统电路图,系统.. 华泰圣达菲15-15S4G[ LRH12T2B8** ]
  安德拉车窗电路图.. 欧宝安德拉2013- LE9[W0LLB6E04D** ]
  能不能给我一份电路图.. 黄海大柴神2012-4JB1T1[ LDD6408B1** ]
  风景快运2.5TD柴油发动机电路图.. 福田风景快运2012-BJ493ZQ38[LUCP2CBA8C** ]
  发动机电路图.. 长城 酷狗22-GW4B15L[ LGWEF5A54** ]
以下是东风小康相关车型的客服问题,希望对您有帮助
 风光580 组合开关和方向盘按键的 接口定义图..东风小康风光580 2017款 SFG15T*17175323* [LVZA53P99H**]
 东风小康V27发动机电脑端子图..东风小康东风小康V27 2011 1.3
 PEPS 无钥匙防盗进入系统 电路图 要全部 详尽..东风小康580 2016 SFG15T [LVZA53P98G**]
 东风小康K07 排量1.0发动机线路图..东风小康K07 2016 DK10 [LVZMN2593G**]
 东风小康K07 465发动机德尔福MT20U系统,需要电..东风小康K07 2007年 465
 09年东风小康M7小乌龟发动机电脑针脚定义..东风小康东风小康K17 09年 K17
 发动机电脑针脚图..东风小康东风汽车-C31 1 1 [LVZKR21B8F**]
 仪表线路图..东风小康EC36 201712 TYC3O-8/180 [LVZZ5TRB2H**]
 东风风光 370全车电路图..东风小康风光370 16.10 SFG15-05 [LVZA53P90G**]
 风光580发动机电控系统电线路,你给我的不全..东风小康580 17年 SFG15T [LⅤZA53p9**]
 东风小康360,柴油电喷。发动机散热电路图..东风小康360 2015年5月 SFD13A [LVZA4AP91F**]
 电子转向助力电路图..东风小康东风小康D51 2020 DK15C [LVZKP31EXL**]

Copyright @ 2009 www.car388.com All rights reserved. 蜀ICP备12014226号-2 增值电信增值业务许可证:川B2-20190647 服务电话:028-87038205 87039205 87020205 川公网安备 51010502010015号 公司地址:成都市龙泉驿区经开区南二路309号 鼎峰动力港 企业办公总部基地 12栋
2025-05-10.-.V28**