[返回列表.]    [免费下载畅易手机版APP ]

用户 17788773 **当前提问:2019年沃尔沃XC90中央电子模块(CEM)电路

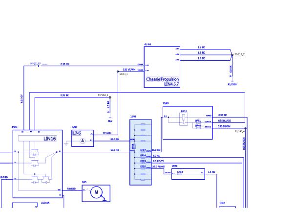
2019年沃尔沃XC90中央电子模块(CEM)电路图

.尊敬的用户,欢迎你使用在线客服,你的问题客服人员已为你处理完毕,请下载附件,如有疑问,欢迎和我们联系!2019年沃尔沃XC90中央电子模块(CEM)电路图.

附件:29732175064302.zip

我需要它的通信脚位电路图或者定义

.尊敬的用户,欢迎你使用在线客服,客服再次为您处理了中央接线盒针脚说明和CAN线路图。你的问题客服人员已为你处理完毕,请下载附件,如有疑问,欢迎和我们联系!.

附件:38102175062073.zip


用户 17788773 ***其他客服问题:
test:
  2020 CT5网关模块原理图和脚位定义.. 凯迪拉克CT52020-LSY[LSGDS5AL2L** ]
  MVBM,VCU1,VCM,以及全车网络的电路图.. 沃尔沃XC902022-2.0[YV1LF06E1N** ]
  48V轻混电池(MVBM)的电路图.. 沃尔沃S902021-B420T2[LVYPDL1D3M** ]
  沃尔沃中间电压蓄电池模块(MVBN)以及VCU1整.. 沃尔沃XC902022-b420t[YV1LF06E1N** ]
  2021年东风雪铁龙凡尔赛C5X发动机电脑电路图.. 东风雪铁龙凡尔赛C5X2021-1234[1223** ]
以下是沃尔沃相关车型的客服问题,希望对您有帮助
 14年沃尔沃连杆和大瓦力矩数据,发动机维修..沃尔沃xc60 14 B4204T7 [YV1DZ4756E**]
 点火正时图 怎么拆凸轮轴发我qq469784794..沃尔沃s80 2007
 变速箱油的换法,及用量..沃尔沃XC60 12年 B6304T [YV1DZ9057C**]
 沃尔沃C30故障码1A22,D900的含义..沃尔沃C30 2011 B4204S3 [YV1MK4346B**]
 沃尔沃发动机电脑板针脚图..沃尔沃s60 T5 2013 B52041T9 [YV1FS63C5D**]
 发动机的电路图..沃尔沃S90 2018 B4204T44 [LVYPDALA4J**]
 来一份启动继电器 位置图 和线路图..沃尔沃940 1997 17
 正时图和进排气门的间隙标准值..沃尔沃XC60 2016 B5204T9 [LYVDE63A2G**]
 发动机大修手册..沃尔沃XC60 2012 B4204T7 [YV1DZ4755C**]
 发动机活塞环开口间隙标准是多少..沃尔沃S80 2004 B5254T2 [YV1TS59G94**]
 冷冻油加注标准..沃尔沃S60 2013 B5204T9 [YV1FS63C8D**]
 沃尔沃S90仪表线路图..沃尔沃S90 21 B420T2

Copyright @ 2009 www.car388.com All rights reserved. 蜀ICP备12014226号-2 增值电信增值业务许可证:川B2-20190647 服务电话:028-87038205 87039205 87020205 川公网安备 51010502010015号 公司地址:成都市龙泉驿区经开区南二路309号 鼎峰动力港 企业办公总部基地 12栋
2025-01-13.-.V25VHTML-2025-V18-11-5---2-