[返回列表.]    [免费下载畅易手机版APP ]

用户 修车 **当前提问:楼兰ABS电路图

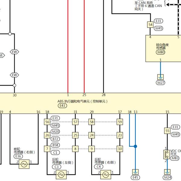
楼兰ABS电路图

.尊敬的用户,欢迎你使用在线客服,你的问题客服人员已为你处理完毕,请下载附件,如有疑问,欢迎和我们联系!2018年日产楼兰ABS电路图.

附件:34292177662413.rar


用户 修车 ***其他客服问题:
test:
  节气门线路图.. 长安奔奔MINI2010-1.0
  发动机电脑板针脚图.. 丰田RAV42006-2.4
  泊车辅助电路图.. 福特福克斯2013-1.6
  方向机电路图.. 东风风光3702016-1.5
  防盗电脑板针脚图.. 纳智捷大7 2012-2.2
  发动机电路图.. 标致3082012-1.6
以下是日产相关车型的客服问题,希望对您有帮助
 电脑针脚定义..日产天籁 2011 1 [LGBF1DE04B**]
 座椅模块位置..日产天籁 2006 1 [LGBF1CE076**]
 曲轴位置传感器电路图..日产汽车Quest [贵士]3.5 自动 2006 VQ35DE(3.5) [5N1BV28U46**]
 16 日产阳光全车电路图..日产阳光 16 1.5
 发动机电脑针脚图和电路图..日产日产 2015 HR16 [LGBH12E01F**]
 需要智能钥匙电路图及维修手册..日产颐达 2008 hr16 [lgbg12e028**]
 灯光电路图..日产逍客 2012 MR20DE [LGBL2AE29E**]
 灯光组合开关电路图..日产奇骏 2016 MR20 [LGBM4AE42G**]
 尼桑经典轩逸 气囊电脑线路图 经典轩逸 经..日产经典轩逸 2021 HR16DE [LGBH52E09M**]
 途乐网关模块位置..日产途乐 2017 1 [JN8BY2NY0H**]
 日产智能钥匙电池更换..日产LIVINA—GENISS(骏逸) 全部年份 全系列 [全系列**]
 日产轩逸鼓风机..日产轩逸 08 2.0 [LGBH1AE0X8**]

Copyright @ 2009 www.car388.com All rights reserved. 蜀ICP备12014226号-2 增值电信增值业务许可证:川B2-20190647 服务电话:028-87038205 87039205 87020205 川公网安备 51010502010015号 公司地址:成都市龙泉驿区经开区南二路309号 鼎峰动力港 企业办公总部基地 12栋
2025-01-13.-.V25VHTML-2025-