[返回列表.]    [免费下载畅易手机版APP ]

用户 72388009 **当前提问:东风雪铁龙C2,前窗升降电路图

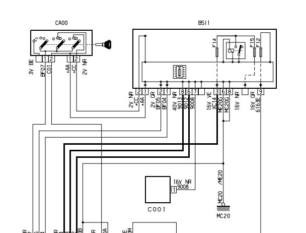
东风雪铁龙C2,前窗升降电路图

.尊敬的用户,欢迎你使用在线客服,你的问题客服人员已为你处理完毕,请下载附件,如有疑问,欢迎和我们联系!2006年东风雪铁龙C2前车窗电路图.

附件:85462191976675.zip


用户 72388009 ***其他客服问题:
test:
  高清线路图,系统的太模糊.. 吉利远景1.52009-4G15D[LB37824S19** ]
  乐驰0.8全车线路图.. 雪佛兰乐驰2007-0.8[LZWADAGA67** ]
  奇瑞凯翼X5发动机电路图.. 奇瑞凯翼凯翼X52017/09-SQRE4T15[LVTDB11B4H** ]
  10年CRV电路图.. 东风本田CRV2010-2.4[LVHRE4870A** ]
  空调继电器位置.. 大众宝来14年-e2111
  东风天锦线路图.. 东风垃圾车2020-78846227[LGAX3C132K** ]
以下是东风雪铁龙相关车型的客服问题,希望对您有帮助
 手动空调电路图(手动变速箱),元件位置图..东风雪铁龙世嘉三厢 2009 N6A 10XA3A PSA [LDCC13L239**]
 雪铁龙赛纳昨天发的电路图对不上实车,麻烦..东风雪铁龙赛纳 2004 RFN10LH46 [LDC761W354**]
 需要自动变速器的详细电路图(2个插头,共..东风雪铁龙新爱丽舍 2013.12 NFP [LDC643T38D**]
 08年雪铁龙C2 1.6 发动机电脑针脚图..雪铁龙C2 08 n6a 10xa3A PSA [LDC621L358**]
 顶灯模块电路图..奔驰C200K 2008 271 950 [LE4FTL8YX8**]
 麻烦找一下这个变速箱的维修手册 04ss..东风雪铁龙 世嘉(三厢) 2010 1.6L 手动 TU5JP4 [LDCC13L23A**]
 全车模块位置图,针脚图,网络通讯图及说明..奔驰C260CGI 2010年7月 271 860 [LE4GF4HB9A**]
 东风雪铁龙C5 2014款 发动机:PSA RFN 10LH3X 关于..东风雪铁龙C5 PSA RFN 10LH3X 2014
 发动机组装各部件安装扭矩及装配图..奔驰C260L 2019 264 915 [LE4WG7HB3K**]
 14年8月奔驰C260L全车电路图..北京奔驰C260L 2014 274 920 [LE4WG4FB5F**]
 16年奔驰C200 205底盘 水箱散热风扇控制原理..奔驰C200 2016 2.0
 全车电路图ss..东风雪铁龙云逸C4 AIRCROSS 2020 [ **]

Copyright @ 2009 www.car388.com All rights reserved. 蜀ICP备12014226号-2 增值电信增值业务许可证:川B2-20190647 服务电话:028-87038205 87039205 87020205 川公网安备 51010502010015号 公司地址:成都市龙泉驿区经开区南二路309号 鼎峰动力港 企业办公总部基地 12栋
2025-01-13.-.V25VHTML-2025-