[返回列表.]    [免费下载畅易手机版APP ]

用户 18074900 **当前提问:CD功放线路图

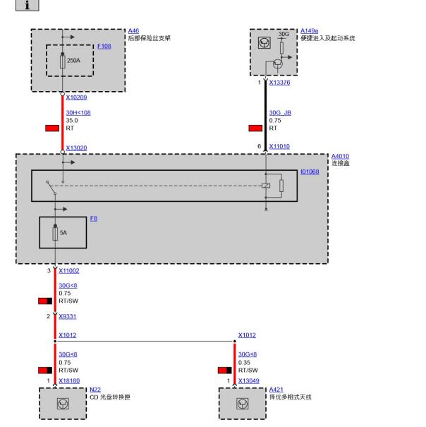
CD功放线路图

.尊敬的用户,欢迎你使用在线客服,你的问题客服人员已为你处理完毕,请下载附件,如有疑问,欢迎和我们联系!2005年宝马320i CD功放电路图.

附件:18522193376804.zip


用户 18074900 ***其他客服问题:
  ABS泵针脚定义图.. 猎豹CS92018-CF4G15[LN86GAAE2J** ]
  发动机保险丝盒保险说明及线路图.. 德国宝马Z42007-N52B30BF[WBADU51097** ]
  模块代码大全.. 东风标志4082014-10UF015G02
  仪表针脚定义图.. 东风本田思域2016-L15B8[LVHFC1666G** ]
  胎压模块安装位置.. 吉利汽车帝豪三厢2017-JLY-4G15[L6T7824Z1H** ]
  波箱电磁阀检测方法.. 长安福特嘉年华2011-ZY[LVSHFFAL9B** ]
以下是宝马相关车型的客服问题,希望对您有帮助
 宝马X4空调压缩机以及空调压力开关电路图..宝马X4 2016 N20 [WBAXW1105G**]
 请问有没有缸盖拆装图..宝马740Li 13年 N55B30A [WBAYF4106D**]
 高压蓄电池维修开关在哪..宝马535Le 2022 B48B20C [LBV21BD03P**]
 ARS模块针脚图(动态驾驶控制模块)..宝马745Li 2003 N62 [WBAGN63493**]
 11年宝马320i缸盖分解图..宝马320i 11年11 N46 [WBAPG5105C**]
 发动机电脑电路图..宝马520i 2004 226si [LBVNA39084**]
 关闭和锁定功能(遥控系统)电路图..宝马320I PG51 2010 N46B20E [WBAPG5108B**]
 发动机飞轮螺丝力钜 变速箱拆装螺丝力钜..宝马325 20013 N52B [LBVPS7100A**]
 麻烦找一下油泵电路图和继电器位置..宝马740 2017 B58B30A [WBA7E4105H**]
 2015宝马X1 低配卤素大灯电路图和高配疝气大..宝马x1 2015 18i
 车身标准模块上有好几个插头哪个是x13252..宝马523Li5系 o9 1 [l**]
 鼓风机位置,鼓风机电阻位置,鼓风机电路图..宝马520 10 A

Copyright @ 2009 www.car388.com All rights reserved. 蜀ICP备12014226号-2 增值电信增值业务许可证:川B2-20190647 服务电话:028-87038205 87039205 87020205 川公网安备 51010502010015号 公司地址:成都市龙泉驿区经开区南二路309号 鼎峰动力港 企业办公总部基地 12栋
2025-05-22.-.V28**VHTML-2025-V18-11-5---2-