[返回列表.]    [免费下载畅易手机版APP ]

用户 pll12 **当前提问:有没有20款凯雷德座椅电路图

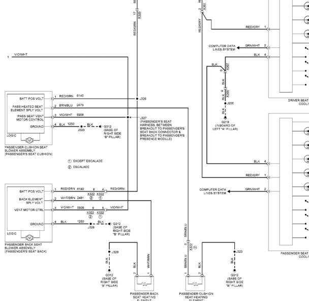
有没有20款凯雷德座椅电路图

.尊敬的用户,欢迎你使用在线客服,抱歉,没有2020年的凯雷德资料,客服给您查找了2019年的电路图作为参考,你的问题客服人员已为你处理完毕,请下载附件,如有疑问,欢迎和我们联系!2019年凯迪拉克凯雷德座椅电路图.

附件:62872200125315.rar


用户 pll12 ***其他客服问题:
test:
  座椅电路图.. 阿维塔阿维塔112023-1[1** ]
  有没有长安福特锐界的副驾座椅电路图,发一.. 长安福特锐界15-20-2.0
  座椅线路.. 比亚迪护卫舰2023-1[1** ]
  座椅电路图.. 马自达CX-502023-暂无[暂无** ]
  座椅电路图.. 克莱斯勒大捷龙混动2018-1[1** ]
以下是凯雷德相关车型的客服问题,希望对您有帮助
 汽油燃油控制电路图及燃油模块更换流程..凯迪拉克凯雷德 2018 6.2 [1GYFK33269**]
 凯迪拉克 凯雷德6.0 油电混合 发动机电脑位置..凯迪拉克凯雷德 10 LZ1
 混合动力,变速箱的分解,混合动力电机的检..凯迪拉克凯雷德 2010.03.29 LFA69R278643 [1GYFK4359R**]
 距离雷达,盲点辅助系统..1GYS48KL6MR322270凯雷德 2022 6.2 [1GYS48KL6M**]
 盲点辅助电路图 ..凯迪拉克 凯雷德 2017 6.2 [1GYS4KKJ9K**]
 发动机维修资料 车架拆装资料..凯迪拉克凯雷德 2011 LZ1 [1GyS47EJ5B**]
 麻烦提供下2021年凯雷德和育空河的自动高度..凯迪拉克凯雷德 2021 [ **]
 凯迪拉克凯雷德全车喇叭位置..凯迪拉克凯雷德 2015 1 [1GYS4TKJ6F**]
 凯雷德ESV的主动安全控制模块(ASCM)的电路图..凯迪拉克凯雷德ESV 2017.09 Vortec [1GYS4JKJ1J**]
 变速器系统?资料s..上海凯迪拉克凯雷德 2012
 老师 您好 帮忙找下08款凯迪拉克 凯雷德电动..凯迪拉克凯雷德 ESCALADE 2008-09 L92 [1GYFK13259**]
 方向助力调节电路图..凯迪拉克凯雷德 2010 LZ1 [1GYFK43519**]

Copyright @ 2009 www.car388.com All rights reserved. 蜀ICP备12014226号-2 增值电信增值业务许可证:川B2-20190647 服务电话:028-87038205 87039205 87020205 川公网安备 51010502010015号 公司地址:成都市龙泉驿区经开区南二路309号 鼎峰动力港 企业办公总部基地 12栋
2025-01-13.-.V25VHTML-2025-V18-11-5---2-