[返回列表.]    [免费下载畅易手机版APP ]

用户 18483128 **当前提问:中央显示屏电路图

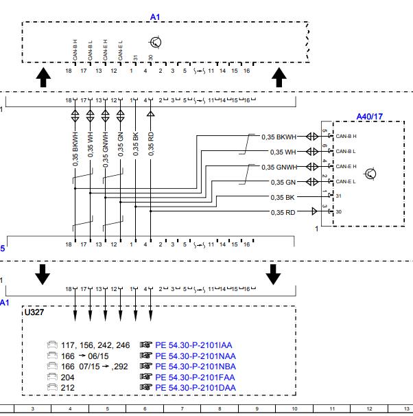
中央显示屏电路图

车架号le4gg8bb2el310965

.尊敬的用户,欢迎你使用在线客服,你的问题客服人员已为你处理完毕,请下载附件,如有疑问,欢迎和我们联系!2014年奔驰GLK300 显示屏电路图.

附件:72322211484932.rar

文件打不开


用户 18483128 ***其他客服问题:
  电动车窗电路图中文版,和相关部件安装位置.. 丰田普拉多2007-4.0[LFMGJ27227** ]
  维修手册更换新节气门匹配节气门的方法.. 纳智捷大7SUV2012-2.2[未知** ]
  启动系统电路图.. 五菱宏光五菱宏光2015-1.5L[lzwadaga1h** ]
  大灯系统电路图.. 别克凯越2004-1.6L[lsgjs52u85** ]
  正时皮带图.. 奇瑞瑞虎32007-1.8L[LVVDB11B97** ]
  维修手册:AFS(自适应转向大灯系统) 故障码.. 一汽丰田普拉多2020-7GR 3.5L[LFMG1E726L** ]
以下是奔驰相关车型的客服问题,希望对您有帮助
 奔驰GLK200,274 920发动机维修手册..奔驰GLK200 2014/09 274 920 [LE4GG3EB8F**]
 维修手册及制动气路油路..奔驰S300L 2010 272940 [WDDNG5EBXB**]
 奔驰R350L副驾驶保险注解..奔驰奔驰R350L 2007 W251 [,**]
 网络图..奔驰GLC300 17 1 [LE40G4KB3G**]
 我想要2011年奔驰唯雅诺线路图一份,谢谢..奔驰唯雅诺 2011年11月 272
 波箱电脑端子说明..奔驰B200 16 270910 [WDDMH4DB1G**]
 变速箱维修资料..奔驰B200 2010 26696030875351 [WDD2452332**]
 空调电路图..奔驰s350l 2010 3.5
 仪表辅助电瓶故障,辅助电瓶更换后故障依旧..奔驰ML350 4MATIC 2012.3月 276 955 [MDCDA5HB7C**]
 后部摄像机盖板电机(M35/2)的拆卸与安装步..奔驰GLA20 2013-2016 无 [无**]
 电子方向机线路图..奔驰GLA200 2018 1.6T
 油泵电路图和继电器位置 ..奔驰S320 1998 112 944 [WDB2201651**]

Copyright @ 2009 www.car388.com All rights reserved. 蜀ICP备12014226号-2 增值电信增值业务许可证:川B2-20190647 服务电话:028-87038205 87039205 87020205 川公网安备 51010502010015号 公司地址:成都市龙泉驿区经开区南二路309号 鼎峰动力港 企业办公总部基地 12栋
2025-04-25.-.V25