[返回列表.]    [免费下载畅易手机版APP ]

用户 董亮 **当前提问:大切诺基应急灯和转向灯电路图

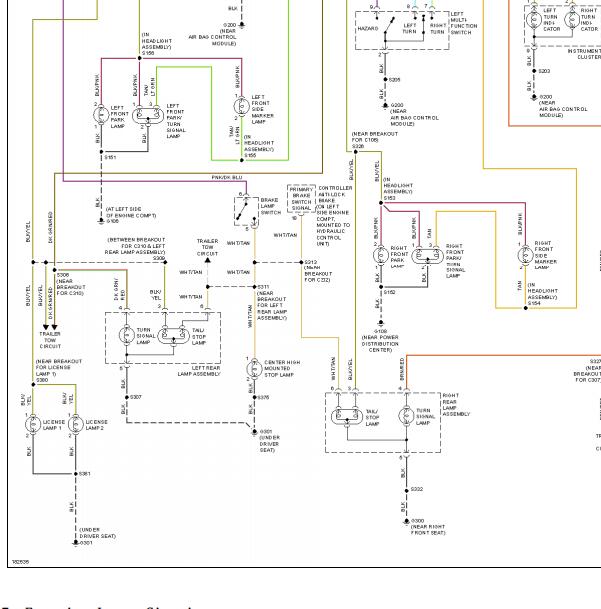
大切诺基应急灯和转向灯电路图

.尊敬的用户,欢迎你使用在线客服,你的问题客服人员已为你处理完毕,请下载附件,如有疑问,欢迎和我们联系!2004年吉普大切诺基 转向灯电路图.

附件:38672233147202.rar


用户 董亮 ***其他客服问题:
test:
  电子手刹电路图.. 奔驰S400L14-276824[WDDUG6FB3E** ]
  金杯发动机电路图或发动机电脑端子图.. 华晨金杯金杯16-2TR[LSY8ABCG2G** ]
  长安CS75远光灯电路图和保险继电器说明.. 长安cs752019.10-JL476ZQCF[LS4ASE2E1K** ]
  无钥匙进入系统维修手册.. Jeep [牧马人2021- N [1C4HJXFN3M** ]
  16年XC90电动尾门电路图.. 沃尔沃XC9016-B4204T27[YV4A22PK9G** ]
  天窗电路图.. 捷豹XJ2016- 306PS [SAJAA2083H** ]
以下是jeep相关车型的客服问题,希望对您有帮助
 您好,麻烦你给找一下大切诺基启动机电路图..JEEP大切诺基 11年 G [1J4RR5GG1B**]
 14年大切诺基空气悬挂气泵,分配阀,控制单..JEEP大切诺基 2014 G
 发动机维修手册..吉普大切诺基 2015 3.0柴油 [1C4RJFBM5F**]
 分动箱维修分解图..1C4RJFB88EC257746大切诺基 14年 。。。 [1C4RJFB88E**]
 求一份 05年大切诺基的电尾门电路图 还有安..JEEP大切诺基 05 8Y [1J8H358268**]
 曲轴箱强制通风加热器位置图..吉普大切诺基 14 M [1C4RJFBM1E**]
 2017-2018年吉普大切诺基全车维修手册 SS..吉普JEEP大切诺基 2017-2018 00 [00**]
 全车电器模块位置..吉普大切诺基 2004 C8V93Q [LE4GJ78N74**]
 克莱斯勒吉普大切诺基3.0T柴油版发动机正时..克莱斯勒大切诺基 2014 M3.0T [1C4RJFBM8E**]
 jeep COMAPSS的中文电路图..jeep指南者 2014 1 [1C4NJCAA5E**]
 需要变速箱阀体部件位置图,变速箱线路图,..JEEP大切诺基 2007 5.7 [1J8HC582X7**]
 维修手册..吉普大切诺基 2015 3.0T柴油 [1C4RJFBM3F**]

Copyright @ 2009 www.car388.com All rights reserved. 蜀ICP备12014226号-2 增值电信增值业务许可证:川B2-20190647 服务电话:028-87038205 87039205 87020205 川公网安备 51010502010015号 公司地址:成都市龙泉驿区经开区南二路309号 鼎峰动力港 企业办公总部基地 12栋
2025-01-13.-.V25VHTML-2025-