[返回列表.]    [免费下载畅易手机版APP ]

用户 18710839 **当前提问:沃尔沃S90电路图及维修手册

沃尔沃S90电路图及维修手册

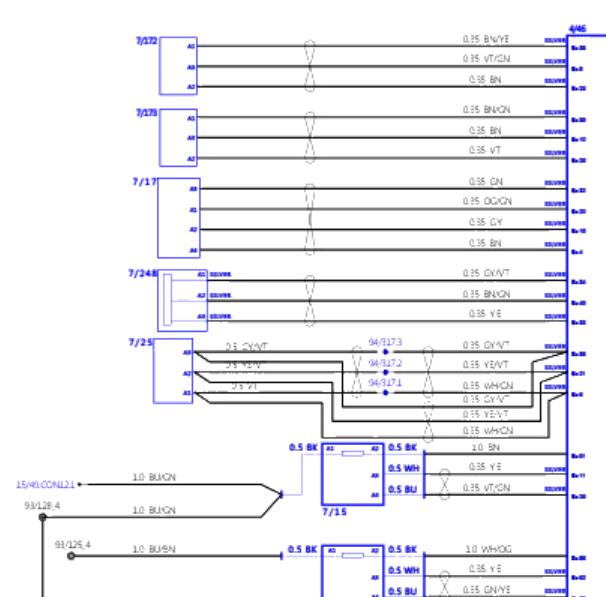
.尊敬的用户,欢迎你使用在线客服,客服已致电与您取得联系,了解到您需要该车发动机电路图,你的问题客服人员已为你处理完毕,请下载附件,如有疑问,欢迎和我们联系!.2018年沃尔沃S90发动机电路图

附件:72382264253301.zip


用户 18710839 ***其他客服问题:
test:
  故障码u0100f-CAN故障(Tcm-f1控制模块) 行驶熄.. 本田冠道冠道2018.02-L15BD[LHGTG1834J** ]
以下是沃尔沃相关车型的客服问题,希望对您有帮助
 沃尔沃XC60油泵模块控制..沃尔沃XC60 2011 4缸
 远程信息互联与天线模块报备用蓄电池组件故..沃尔沃S60 2023 B420T5 [L∨YZBK8D**]
 沃尔沃S40挂挡机构线路图..沃尔沃S40 09 CAF488Q3 [LVSHEFAC59**]
 请帮忙找下保养灯归零的资料s..沃尔沃V70 2007-2011
 发动机电脑板针脚..沃尔沃S40 2008 B5244S [LVSHEFEK88**]
 电动门窗升降器的电路图..沃尔沃S80L 2010 B5254T 2.5T [LVSHGFAJ5A**]
 查一下后备箱盖控制电路图..沃尔沃汽车XC603.0T 手自一体 T6 AWD舒适版 2010 B6304T2(3.0) [YV1DZ995XA**]
 沃尔沃V60 B4204T11发动机维修手册 之前给的..沃尔沃V60 14 B4204T11
 SOS电池安装位置..沃尔沃XC40 2019 1111 [1111**]
 活动顶棚(电动天窗)维修手册..沃尔沃C70 2011 B5254T7 [YV1MC6759B**]
 你法那个不对..沃尔沃XC60 T5 2.0T 2011.09 B4204T7 [YV1DZ4751C**]
 沃尔沃C30故障码1A22,D900的含义..沃尔沃C30 2011 B4204S3 [YV1MK4346B**]

Copyright @ 2009 www.car388.com All rights reserved. 蜀ICP备12014226号-2 增值电信增值业务许可证:川B2-20190647 服务电话:028-87038205 87039205 87020205 川公网安备 51010502010015号 公司地址:成都市龙泉驿区经开区南二路309号 鼎峰动力港 企业办公总部基地 12栋
2025-01-13.-.V25VHTML-2025-